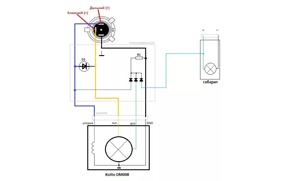
Как подключить билед