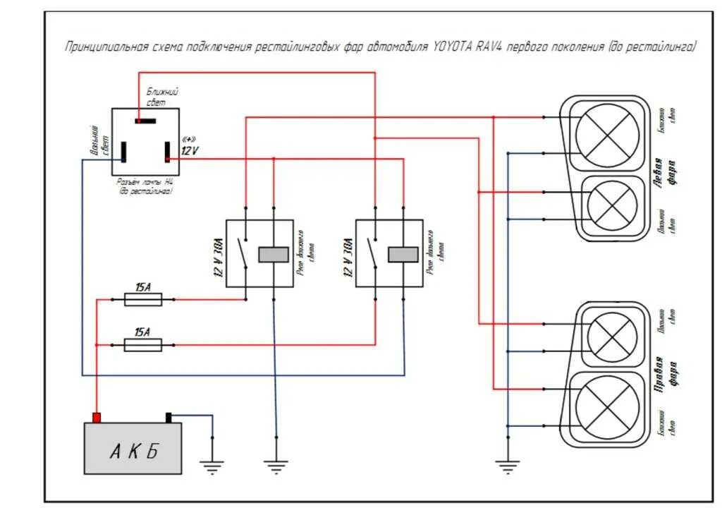
Как подключить дальний на линзу