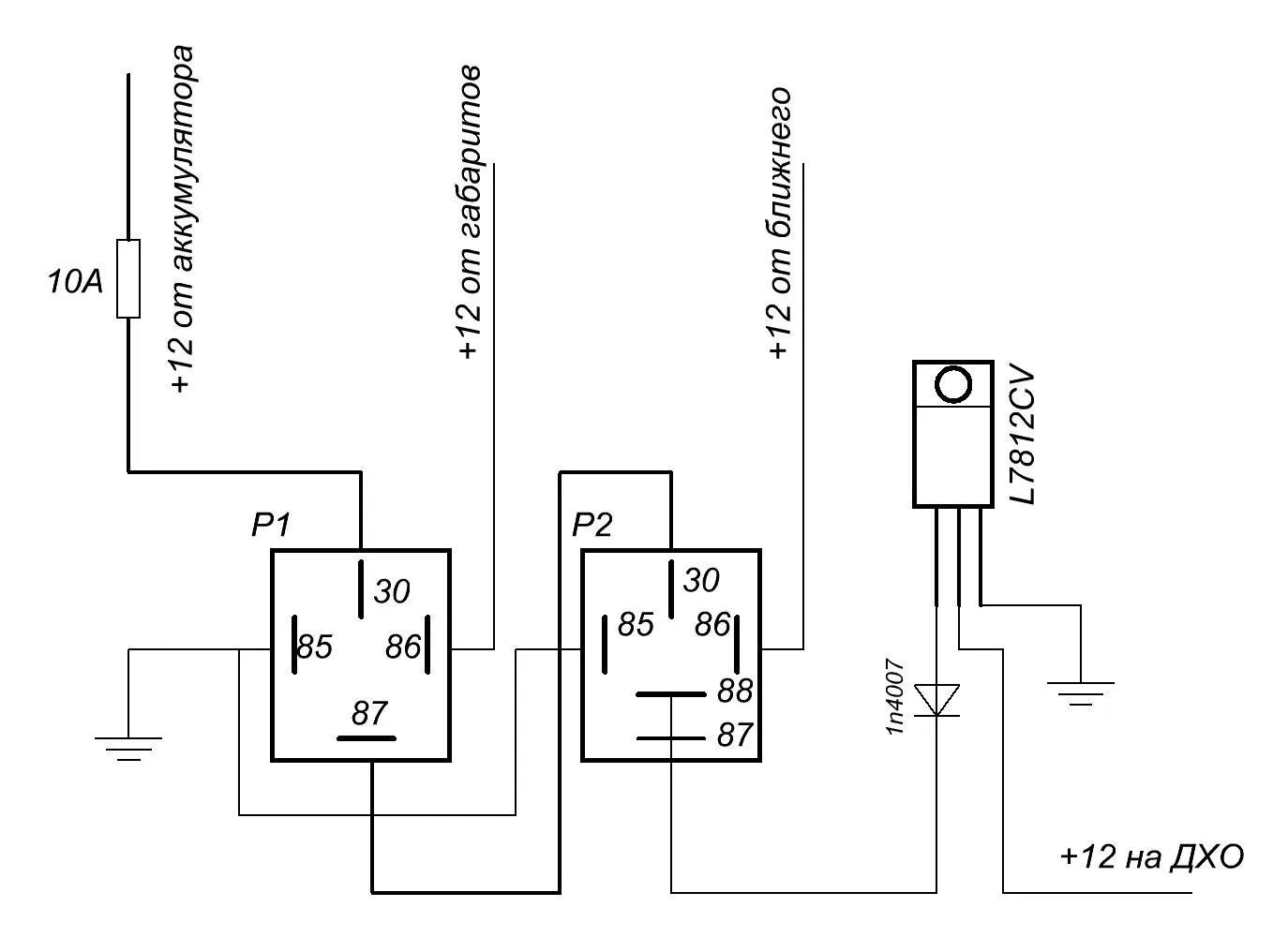
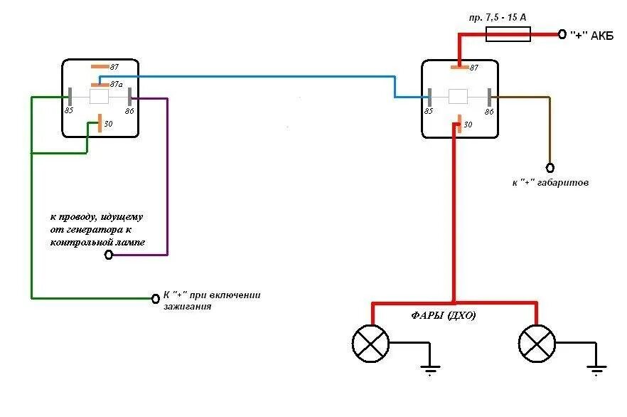
Как подключить ходовые огни от генератора