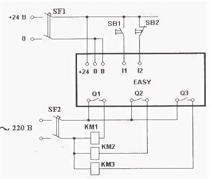
Как подключить изи