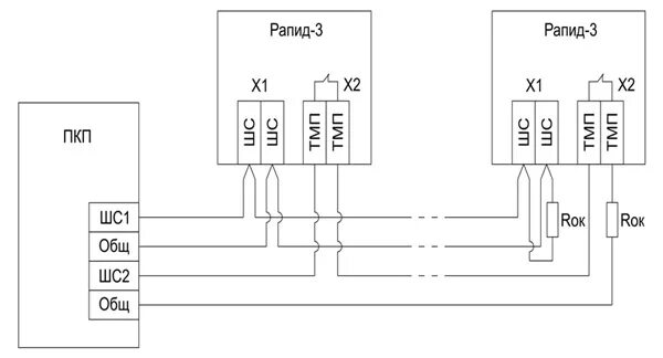
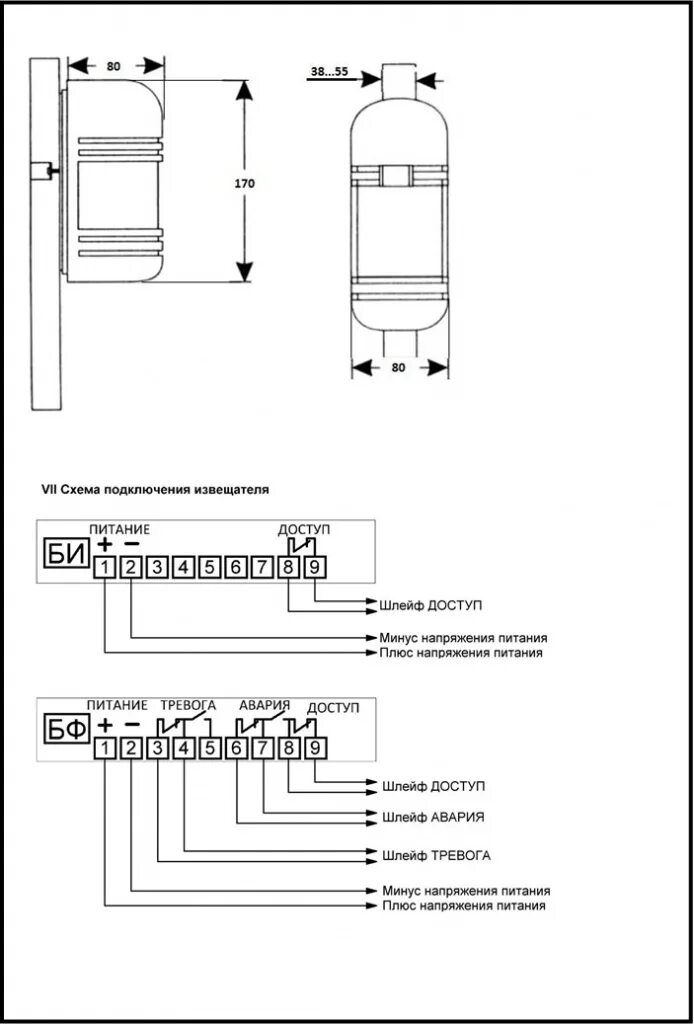
Как подключить извещатель