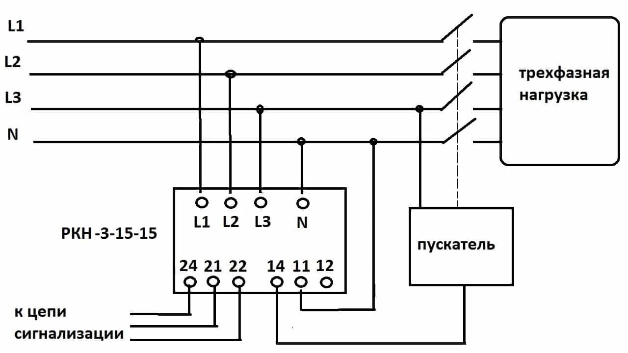
Как подключить контроль