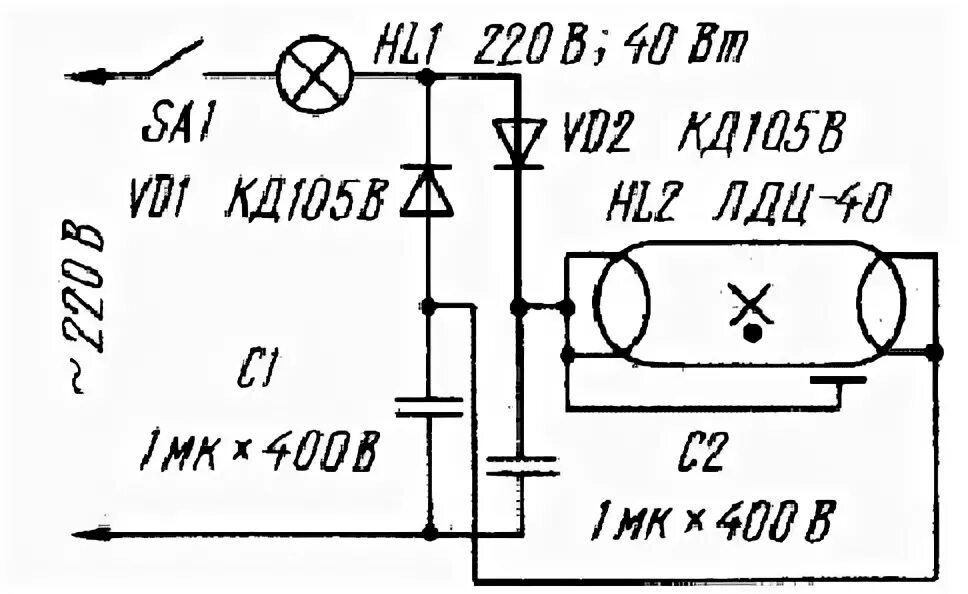
Как подключить лампу без дросселя