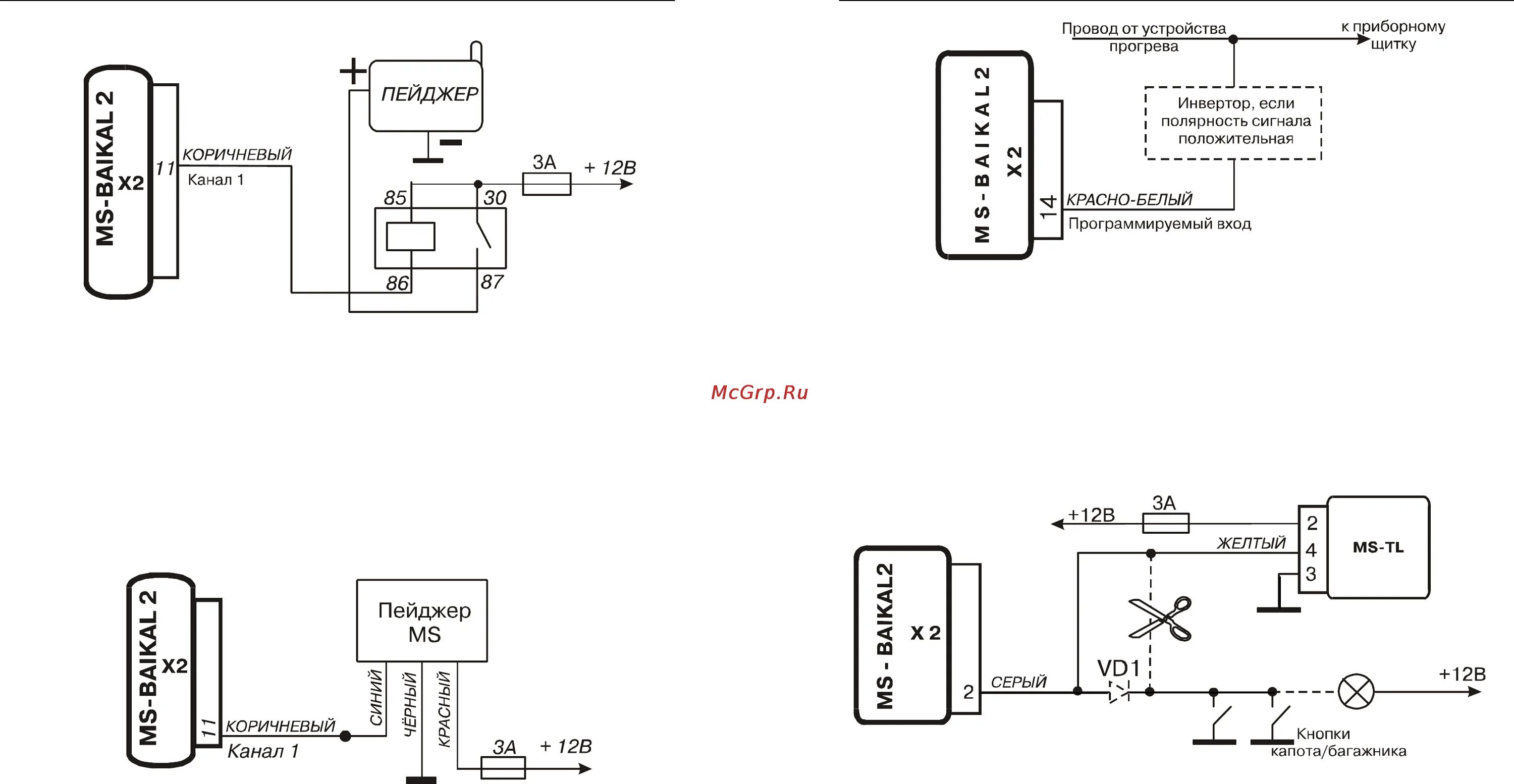
Как подключить magic