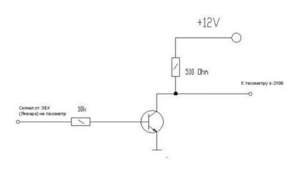
Как подключить тахометр датчик