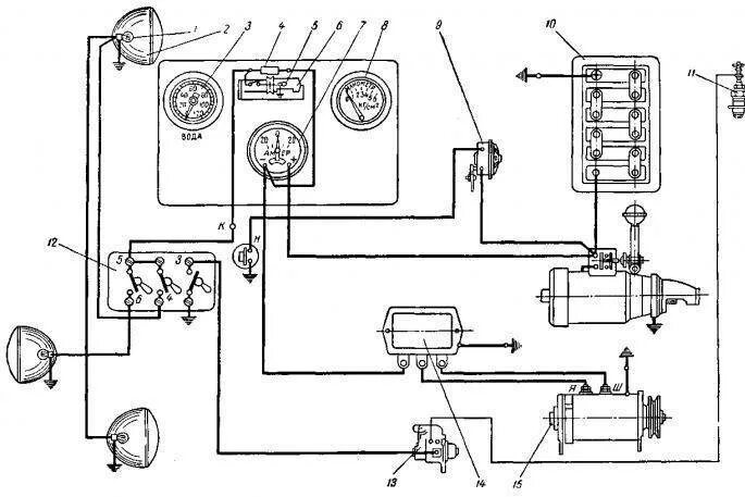
Как подключить тракторный