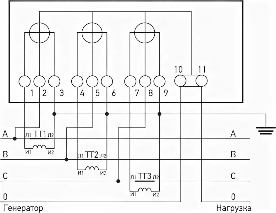
Как подключить тт