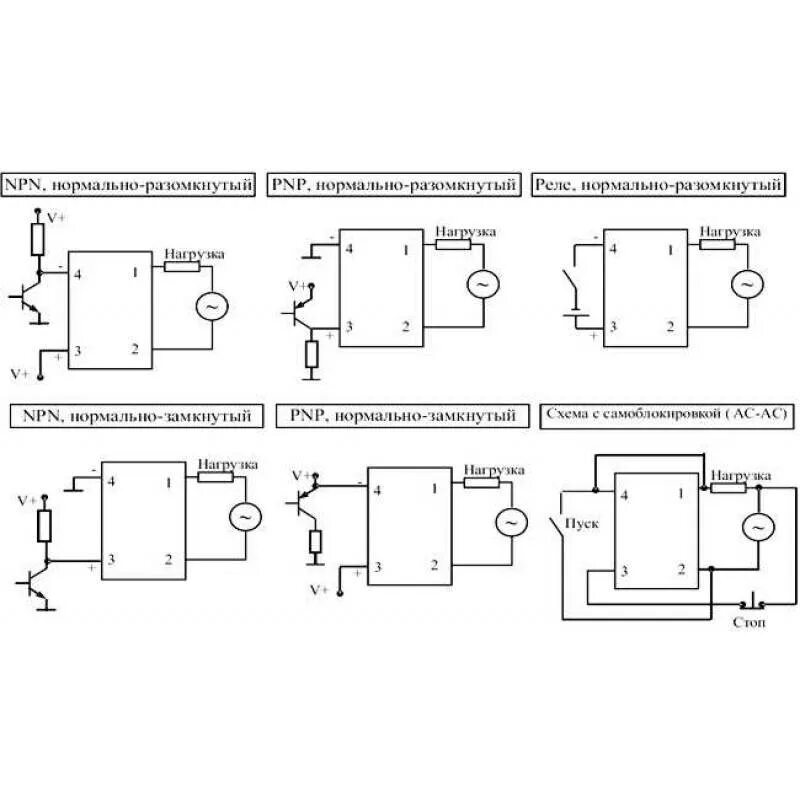
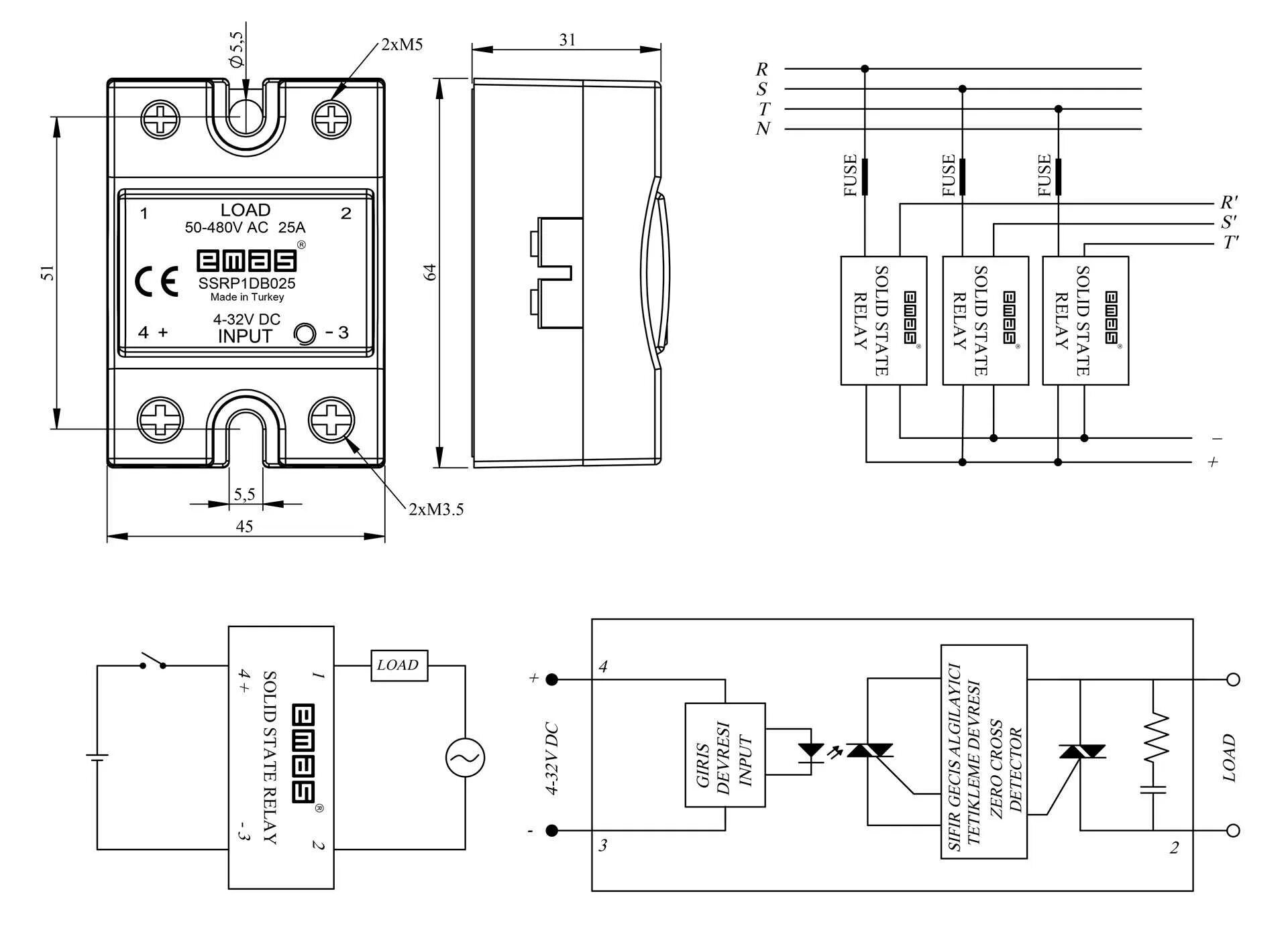
Как подключить твердотельное реле