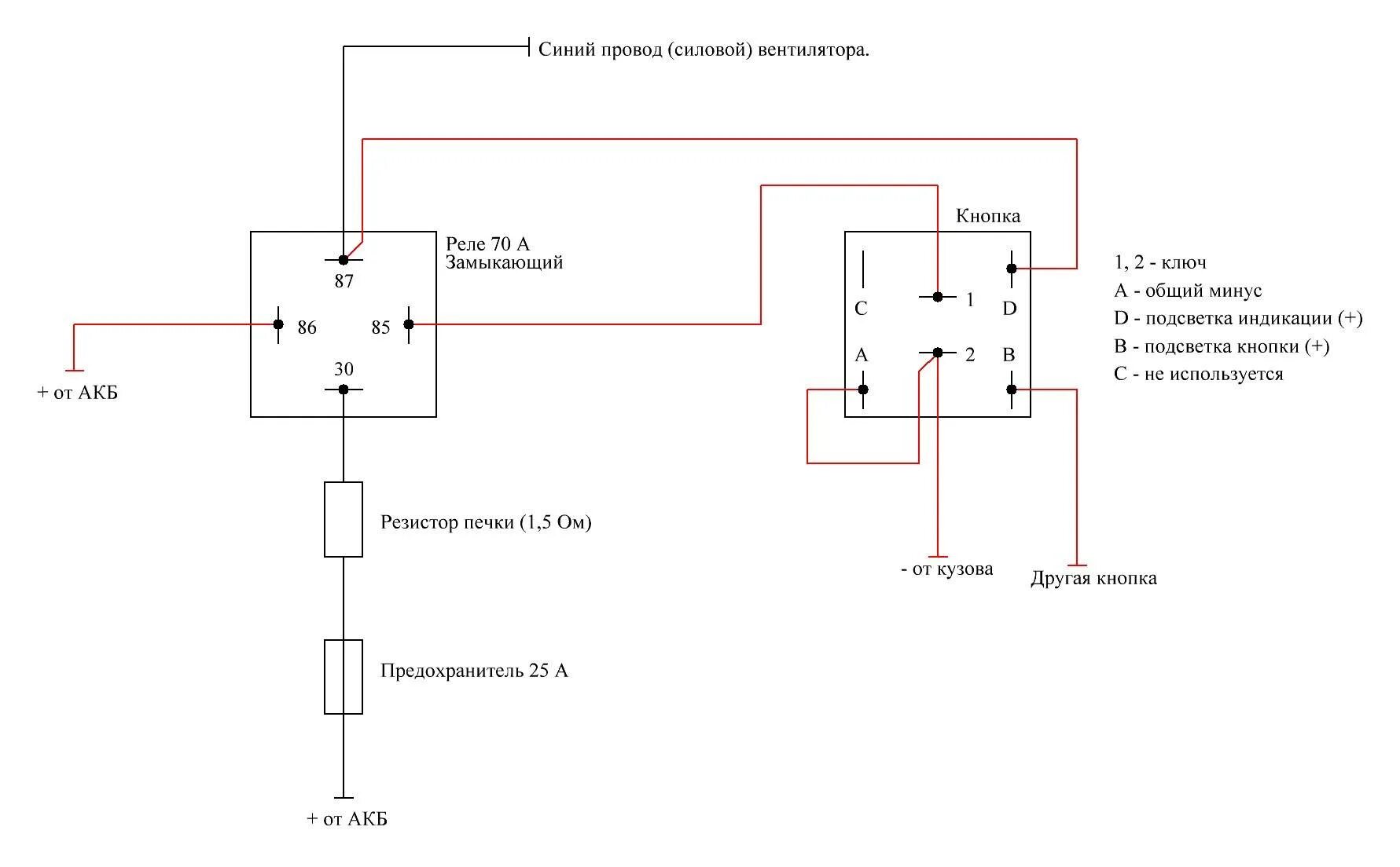
Как подключить вентилятор через кнопку ваз