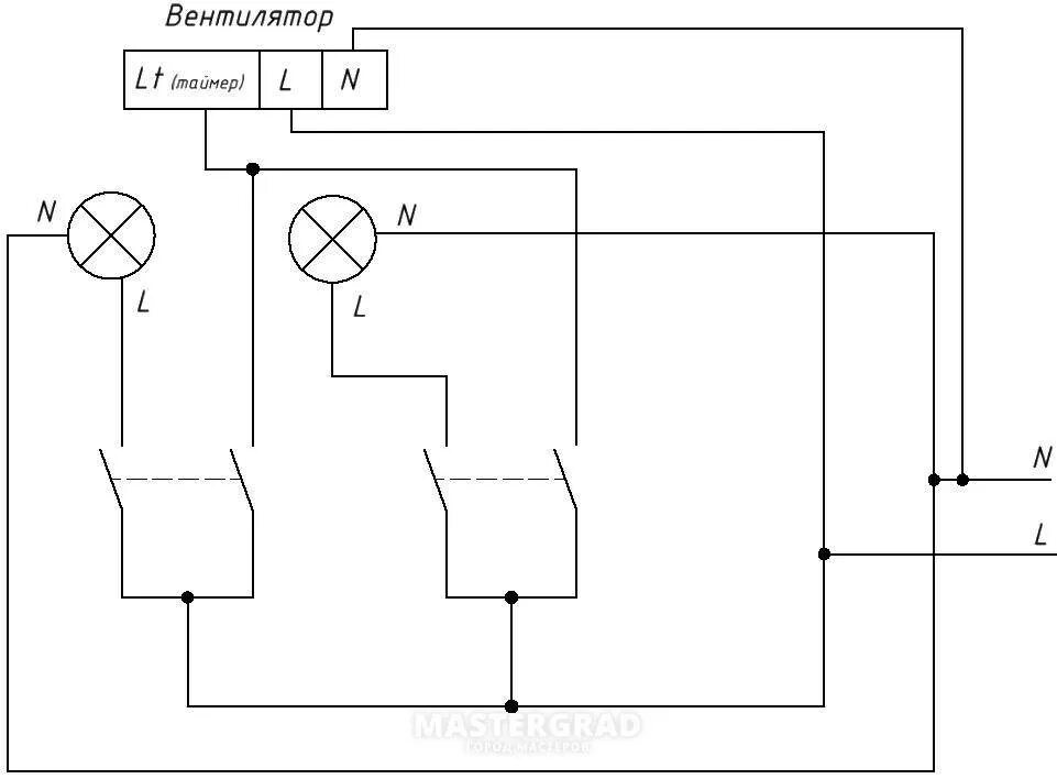
Как подключить вентилятор вытяжки