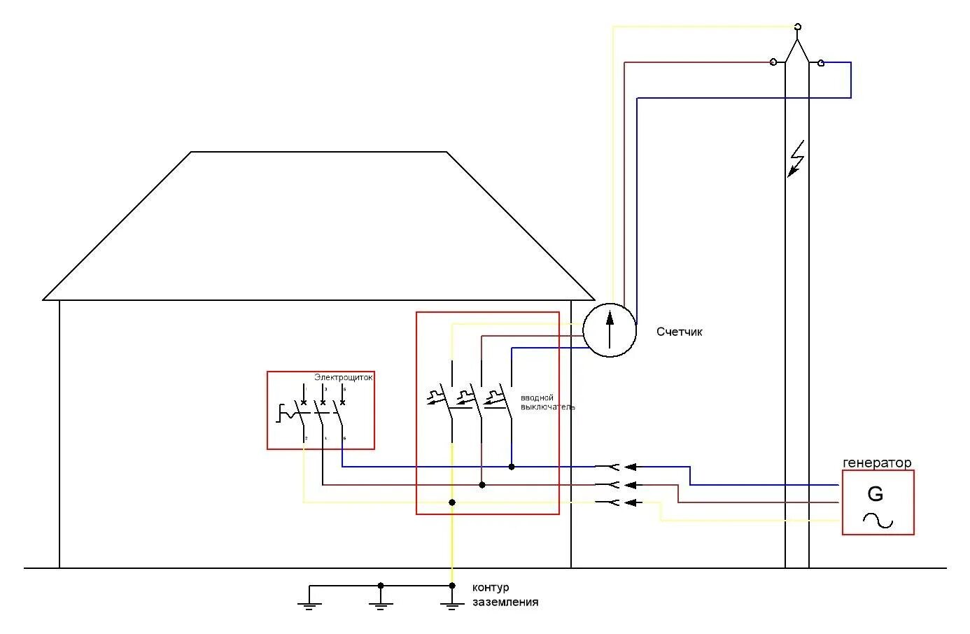
Как подсоединить генератор к сети