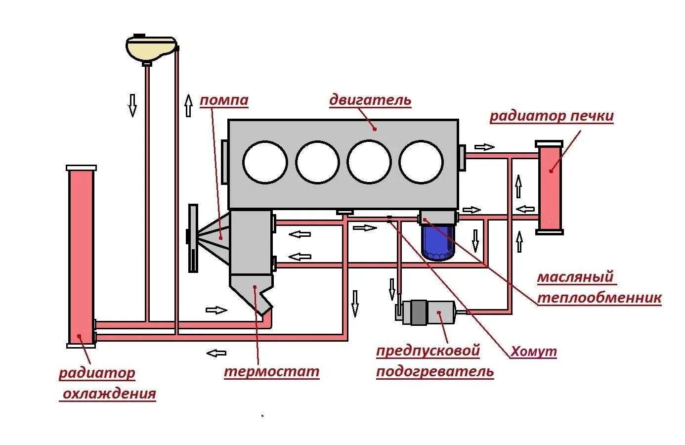
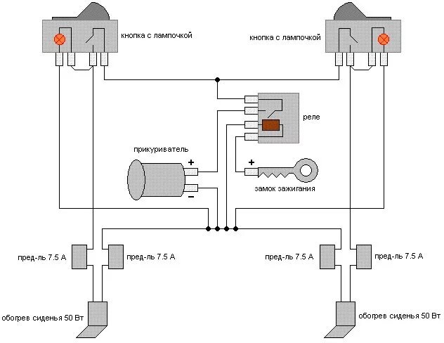
Как подсоединить подогрев