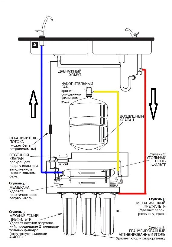
Как правильно подключить осмос