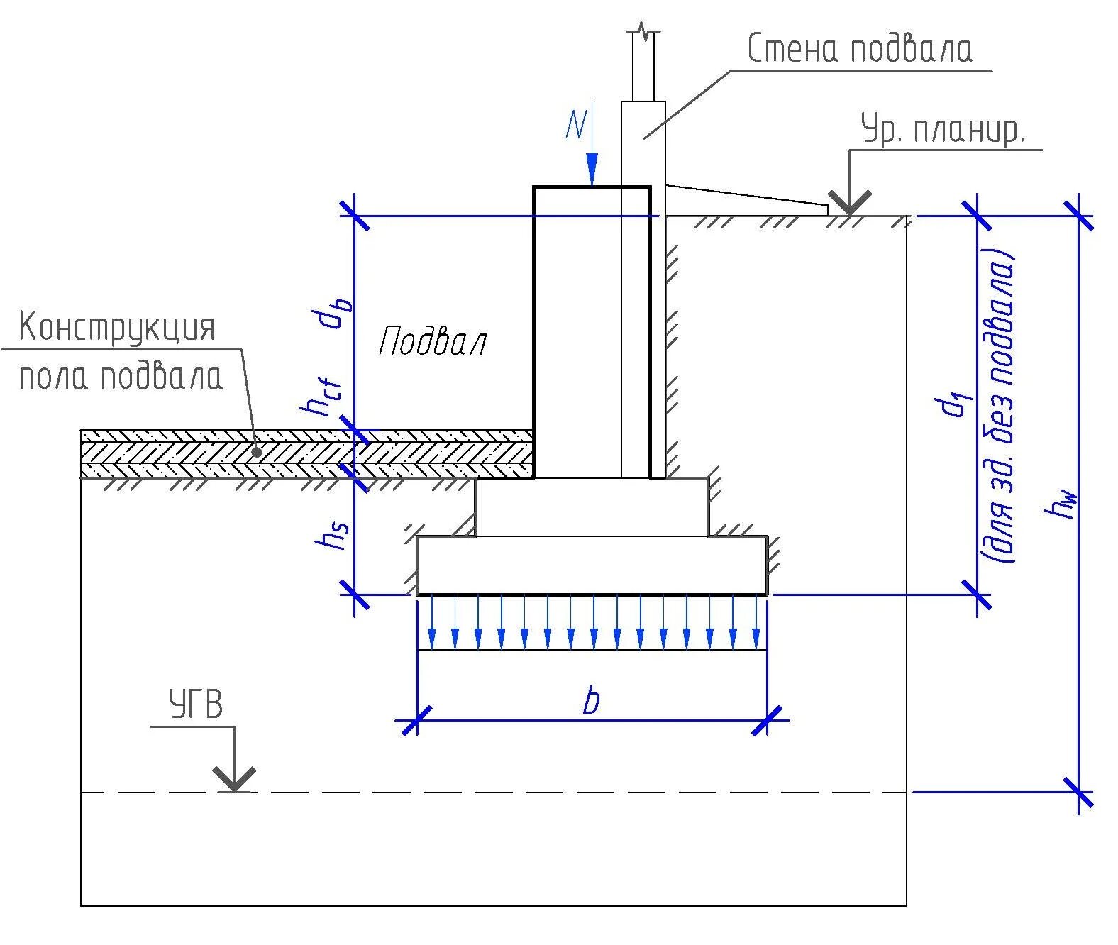
Как правильно рассчитать фундамент