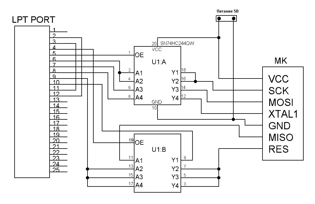
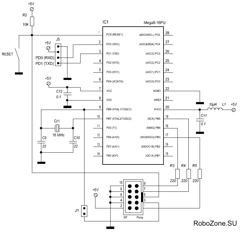
Как прошить микроконтроллер