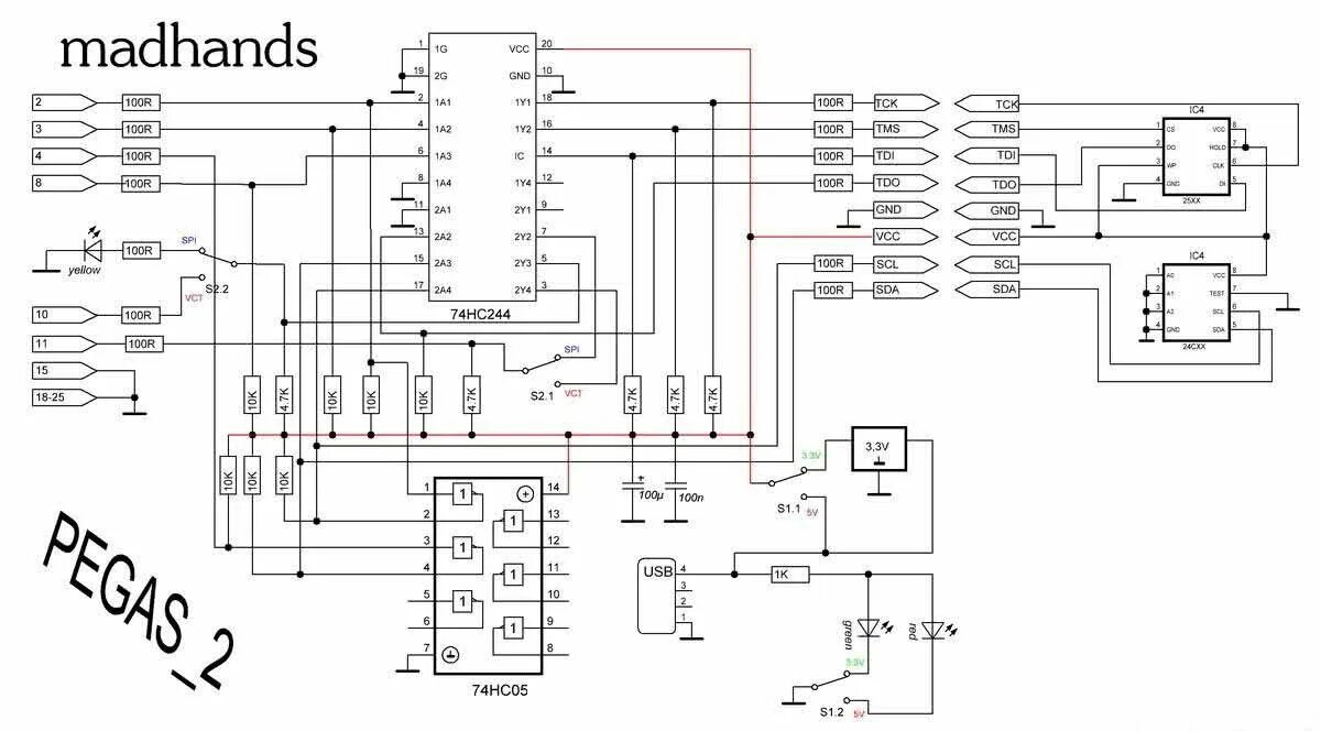
Как прошить программатор без программатора