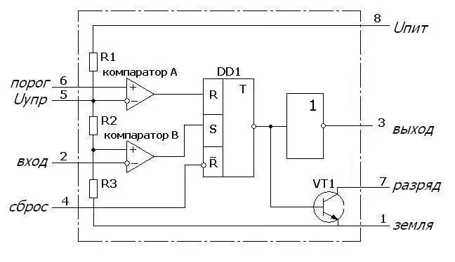
Как проверить микросхему