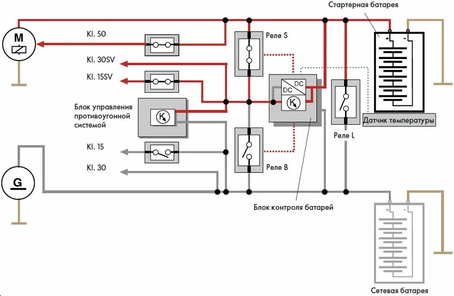
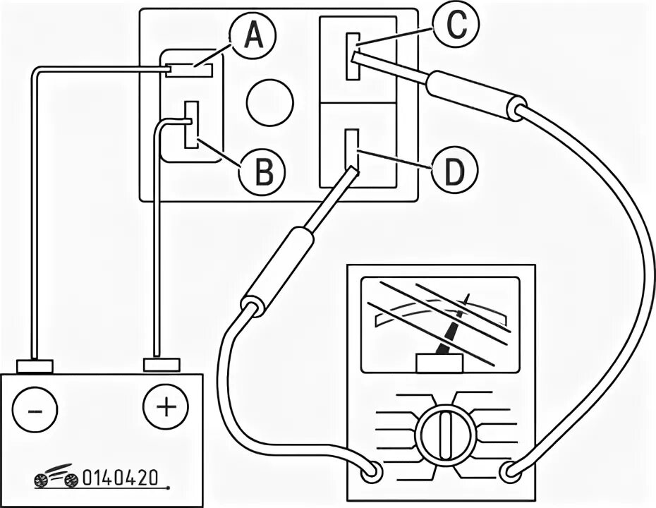
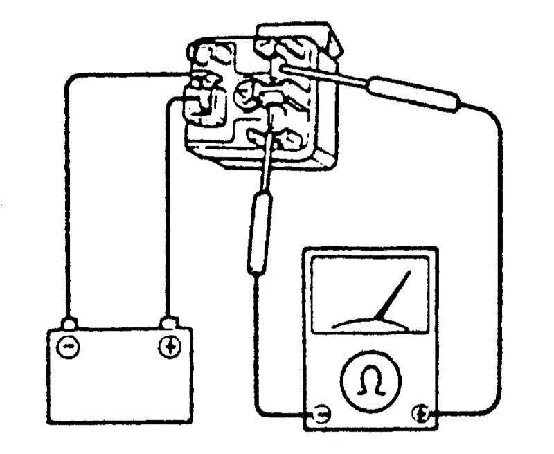
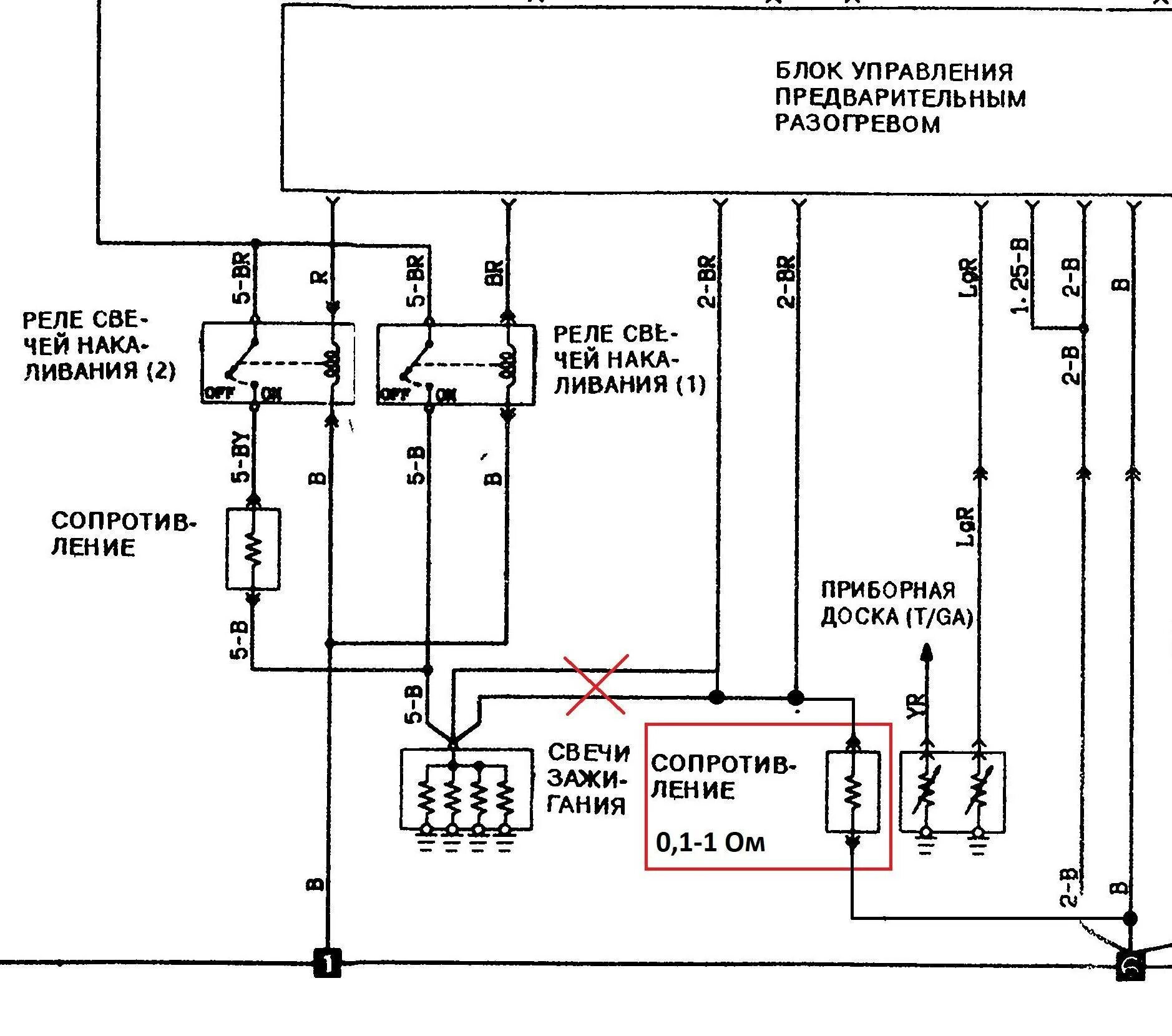
Как проверить реле накала свечей на дизеле