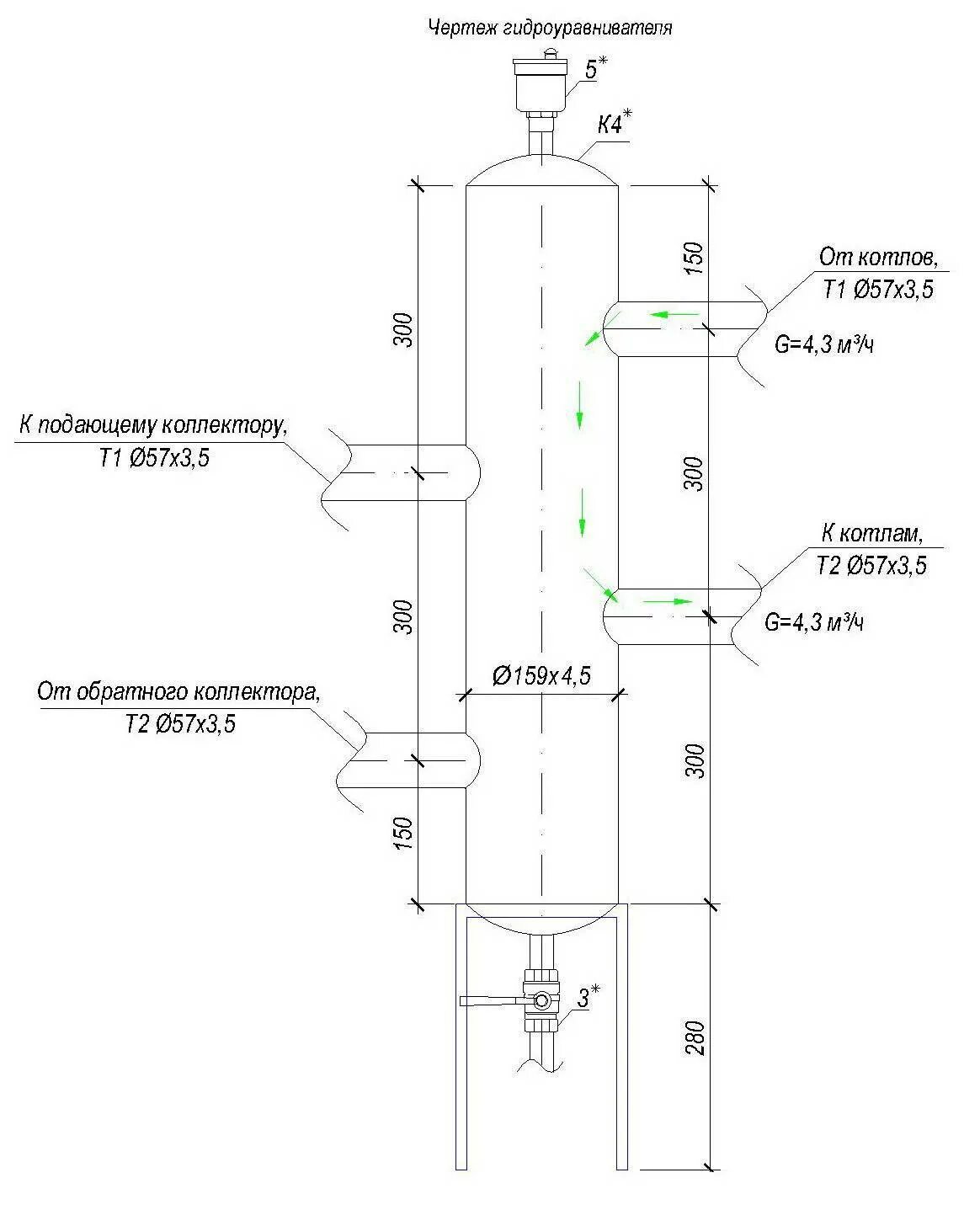
Как работает гидрострелка