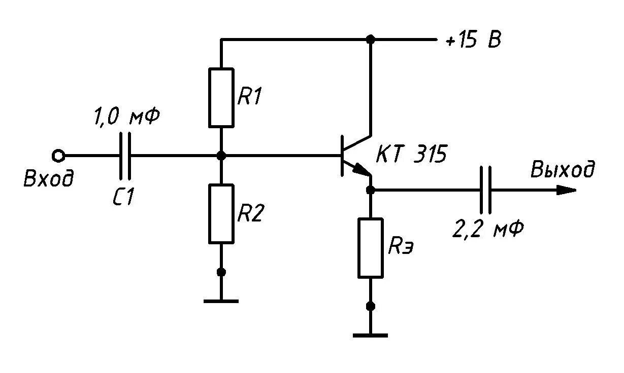
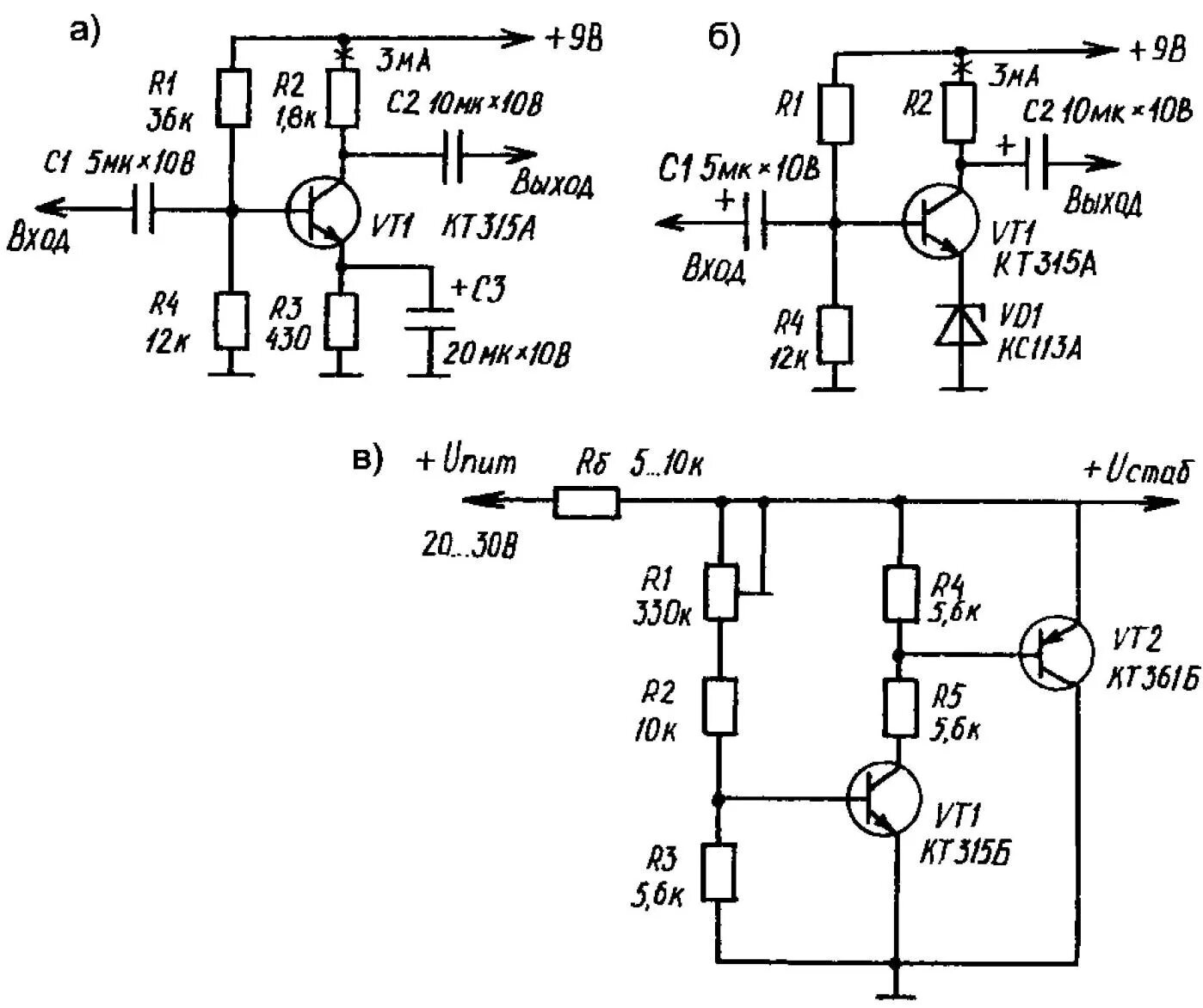
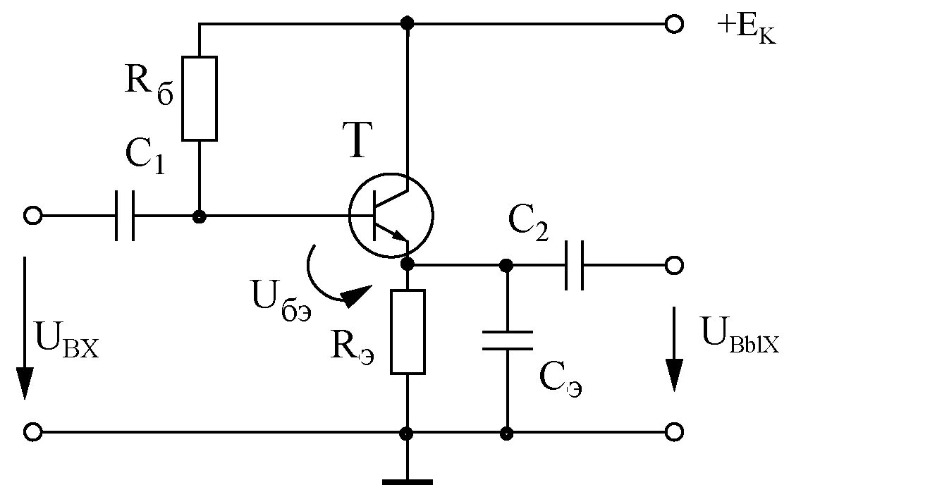
Как работает повторитель