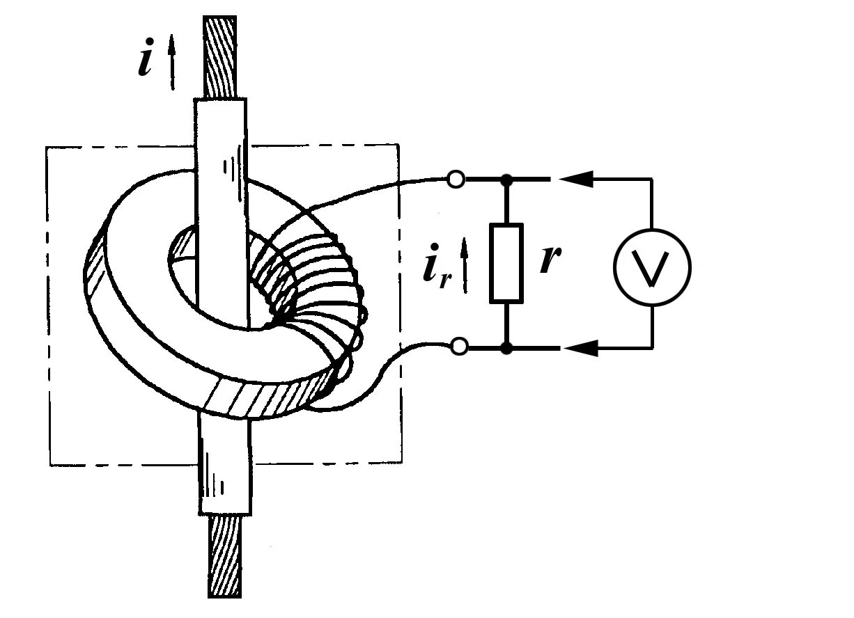
Как работает трансформатор тока