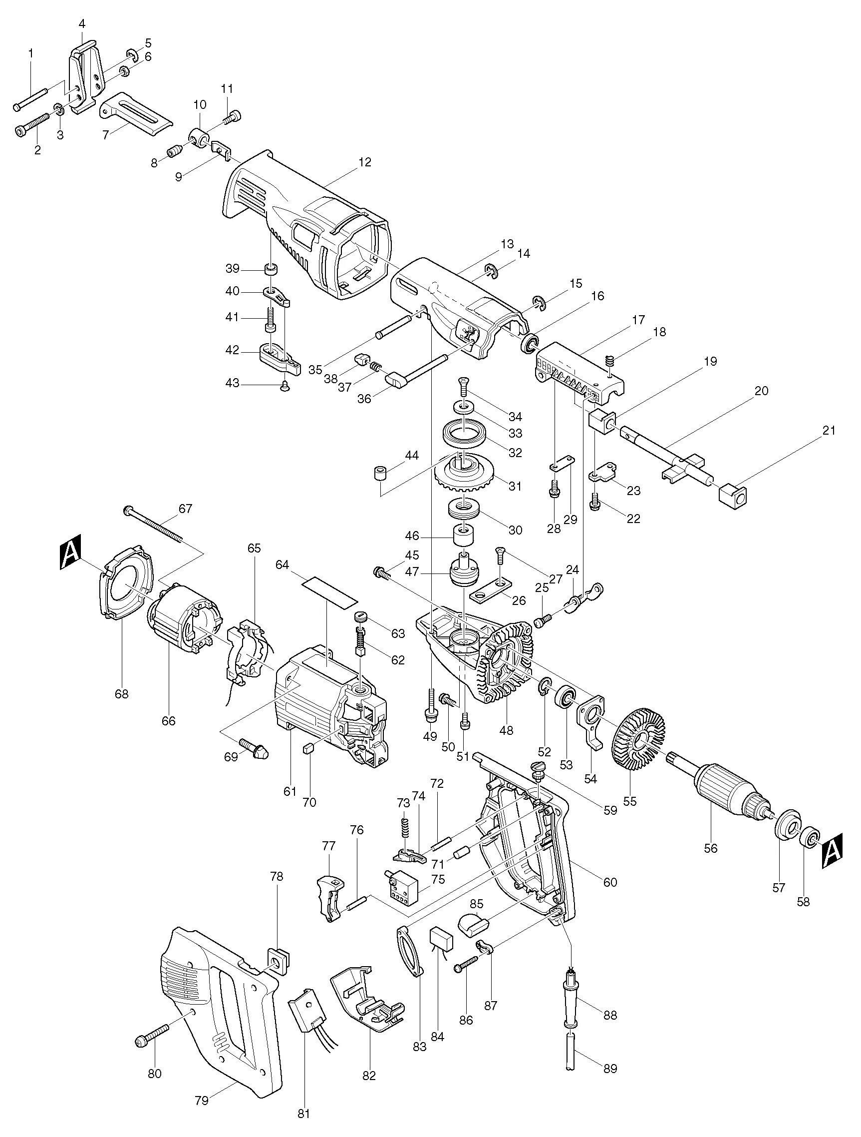
Как разобрать сабельную пилу