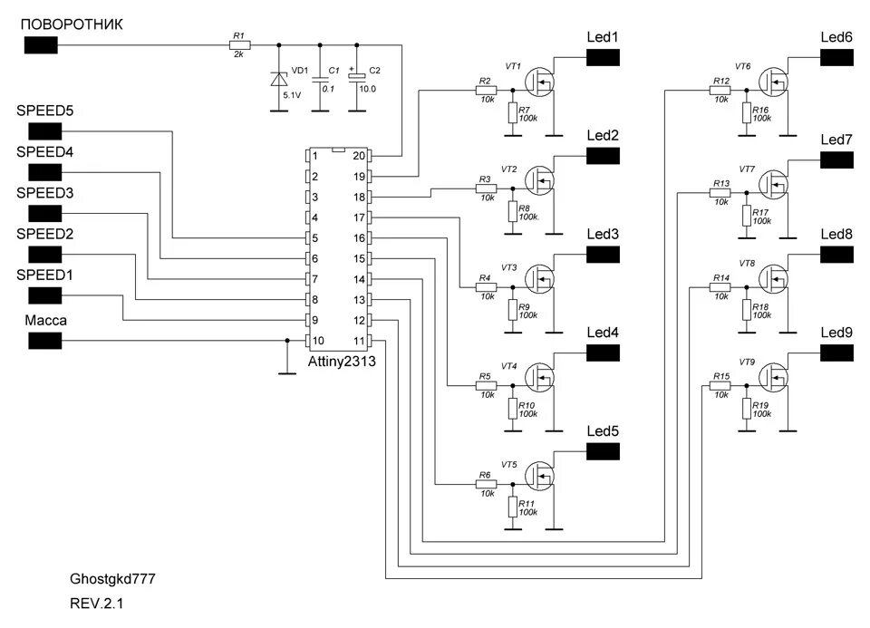
Как сделать бегущую