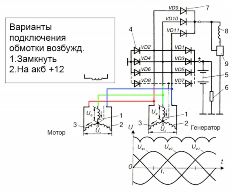
Как сделать чтоб генератор