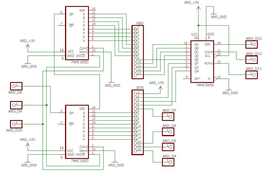
Как сделать миди клавиатуру