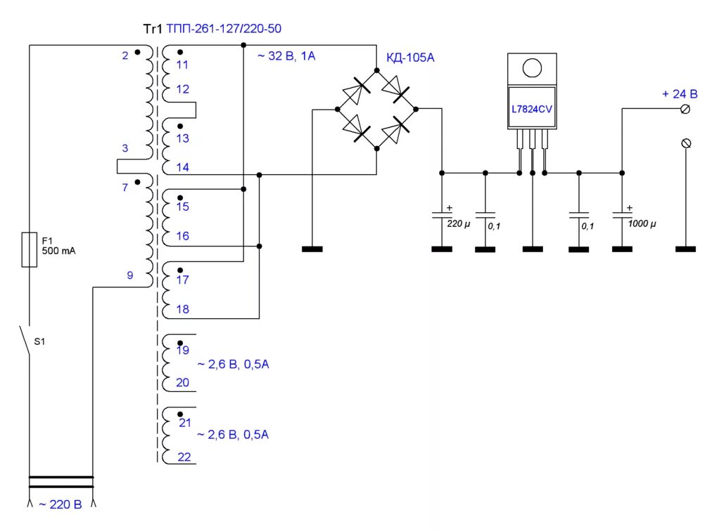
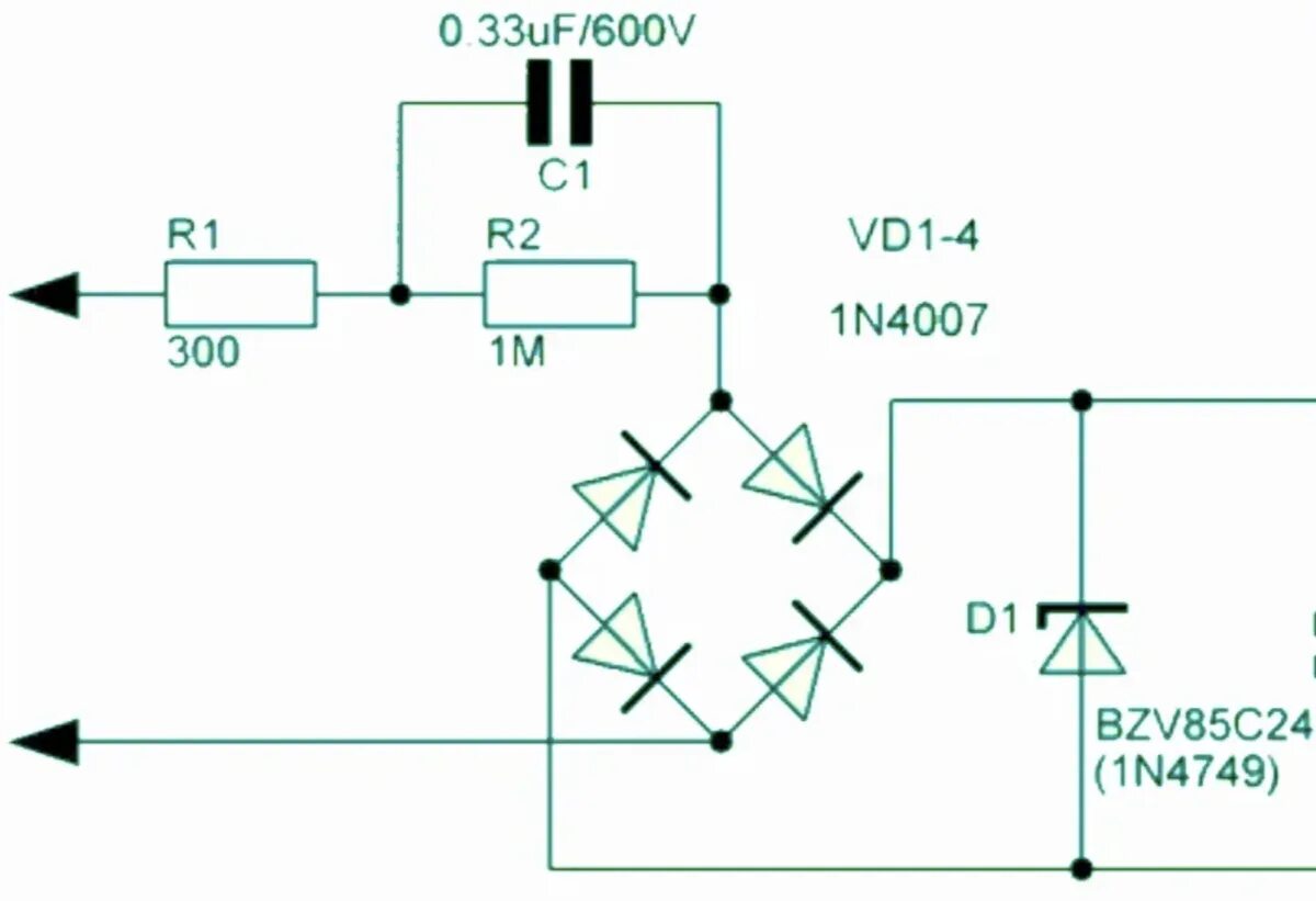
Как сделать питание 24 вольта