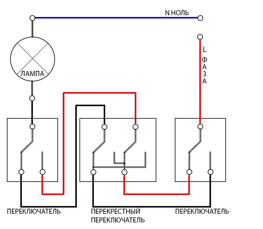
Как сделать управление 2