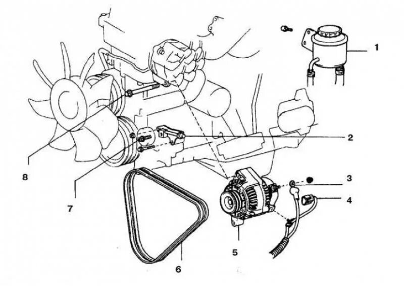
Как снять генератор ленд крузер 200