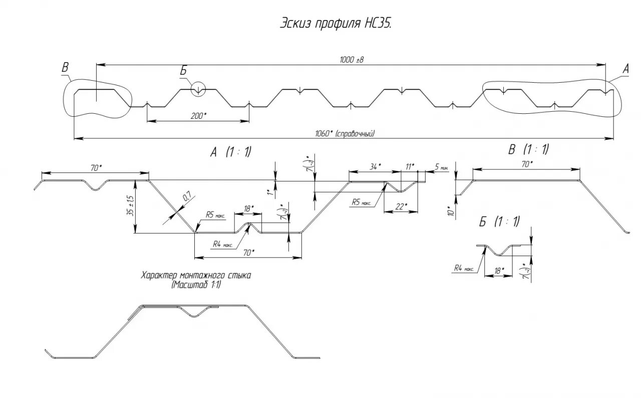
Как стыковать профлист