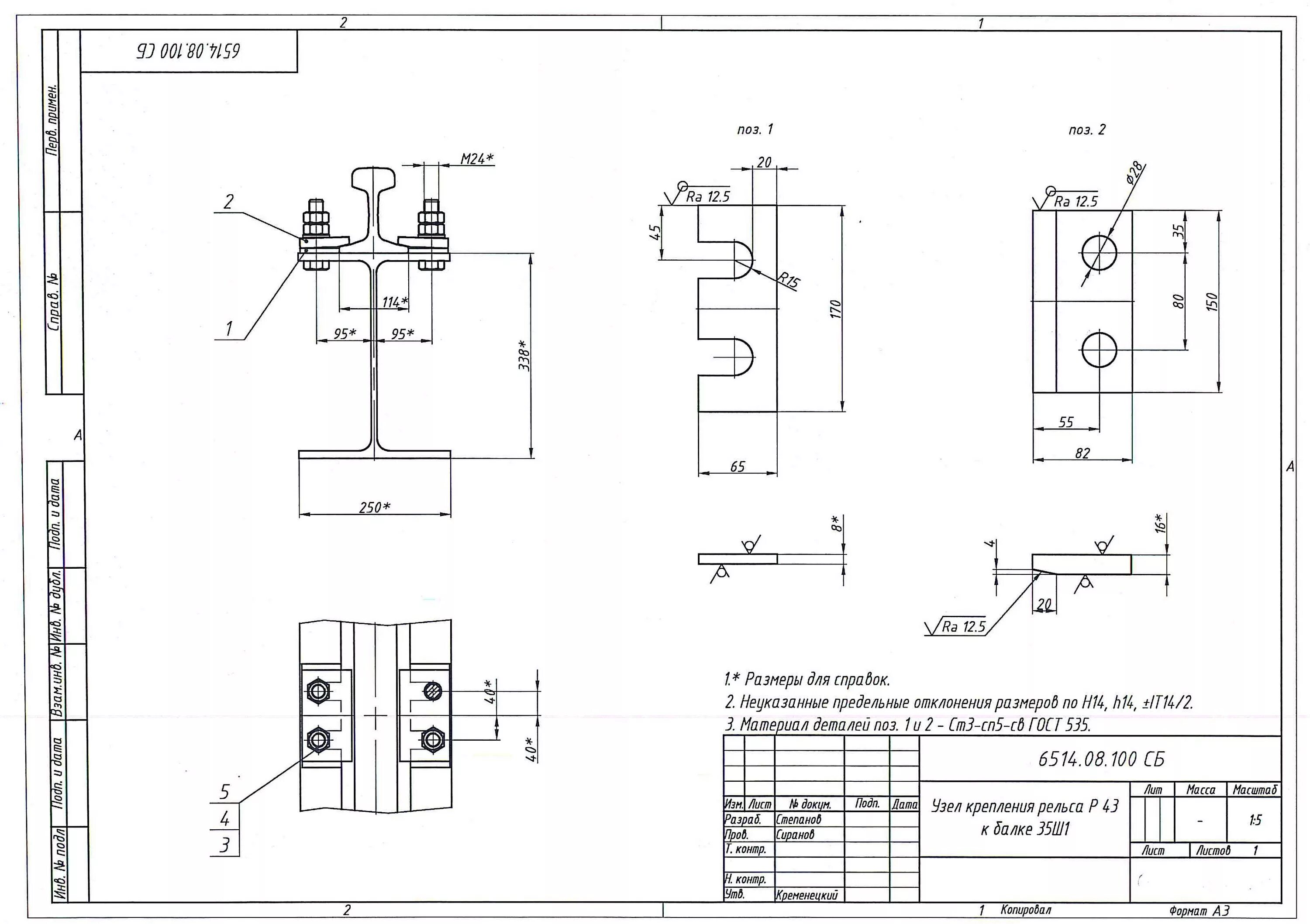
Как установить кр