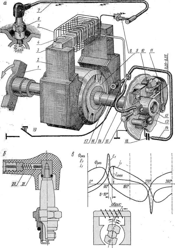
Как выставить магнето