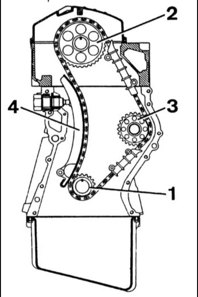
Как выставить зажигание 124