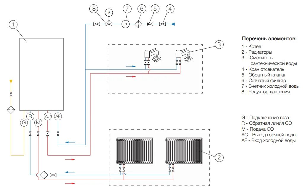
Как заполнить систему отопления двухконтурного котла