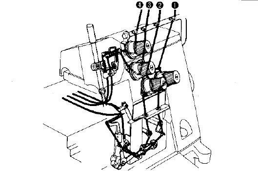
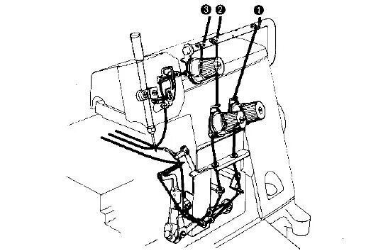
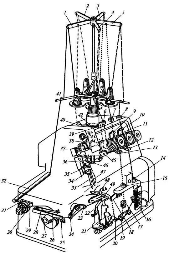
Как заправить нити в оверлок