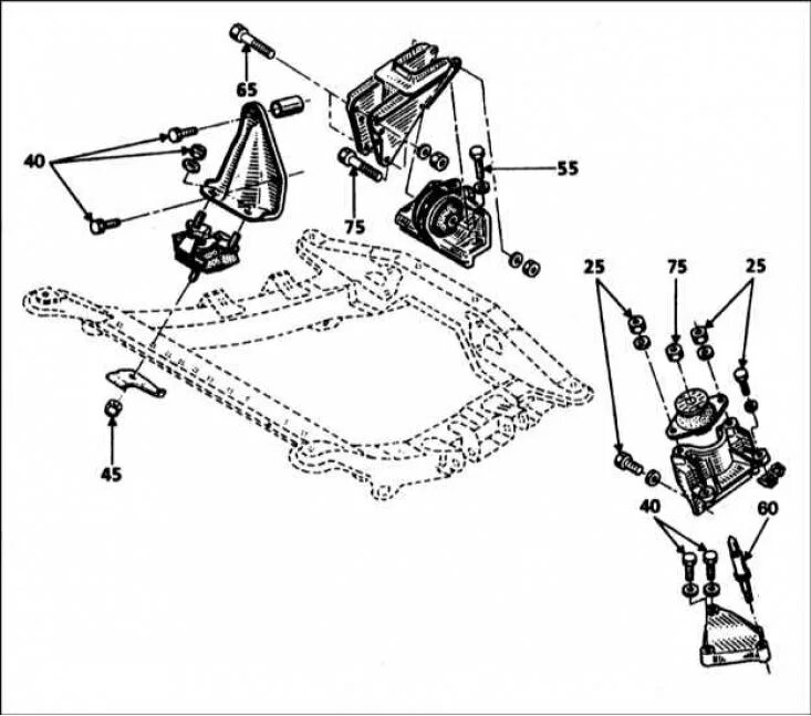
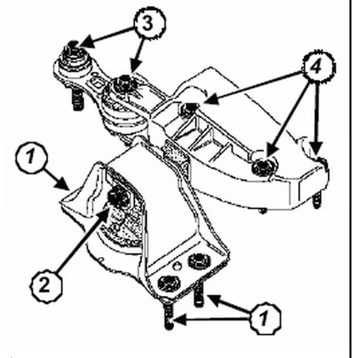
Какое крепление двигателя