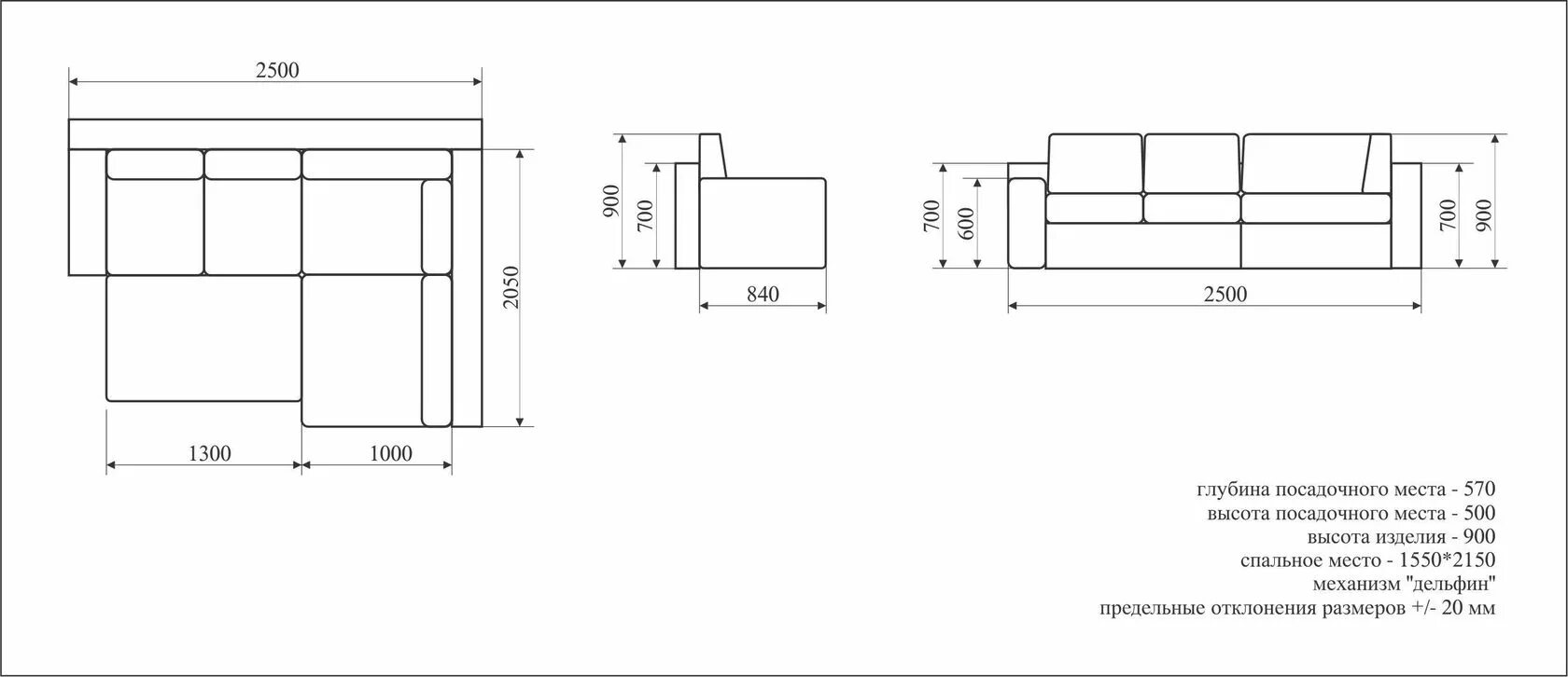
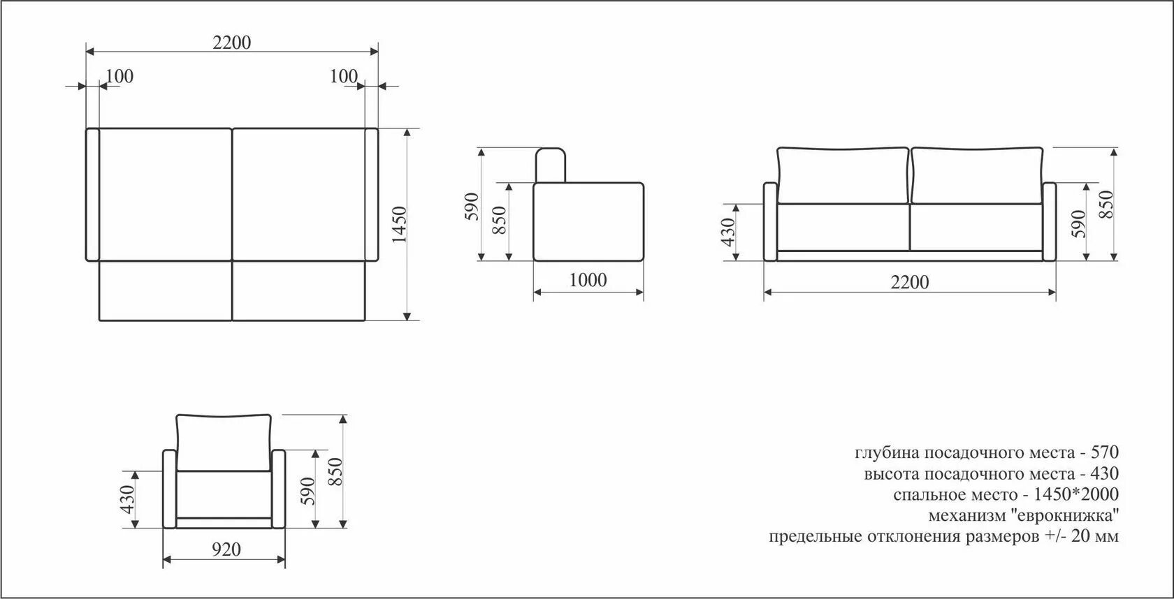
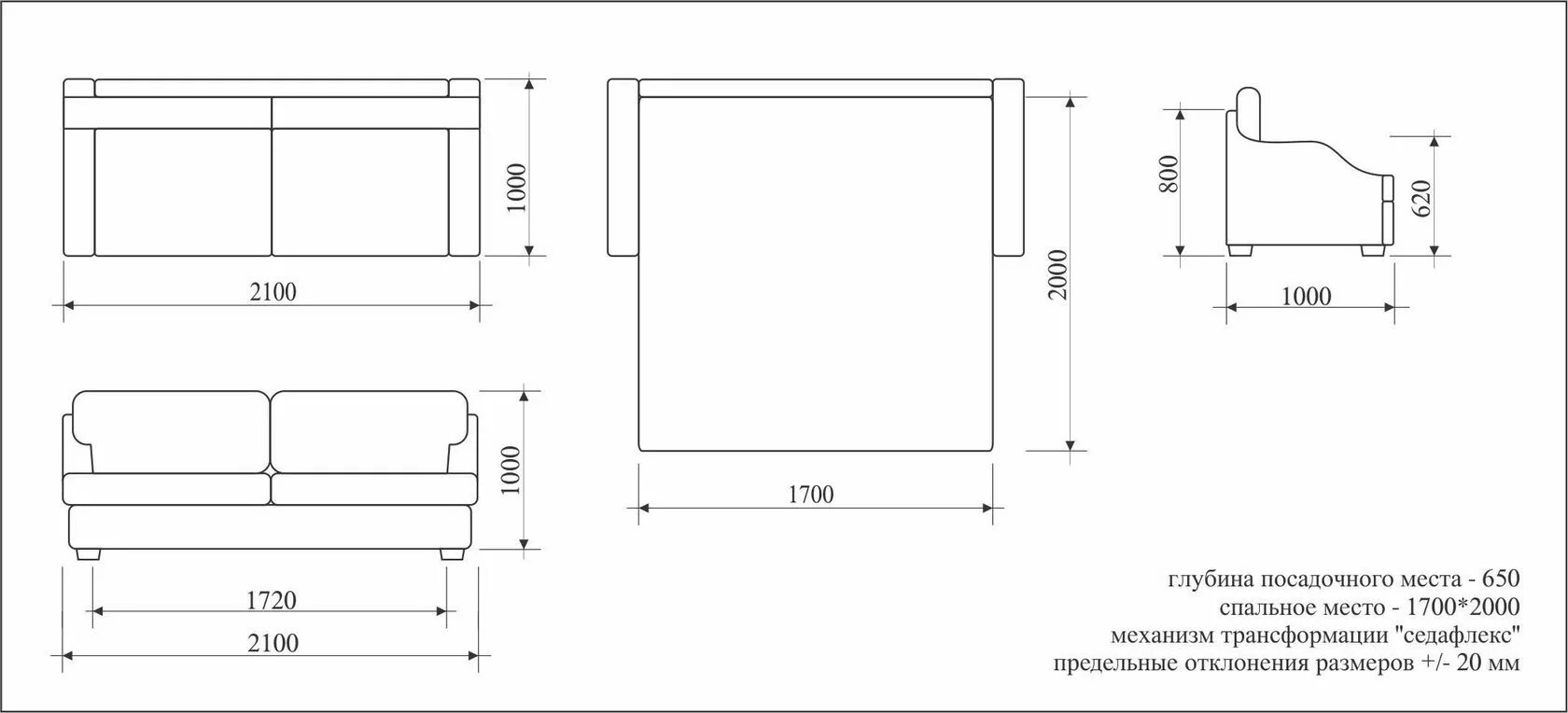
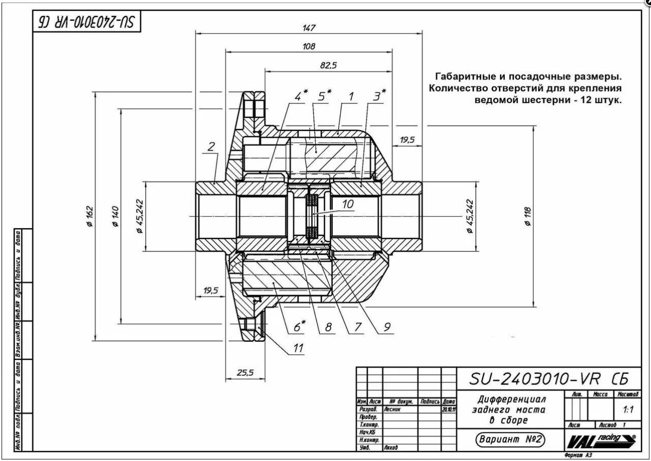
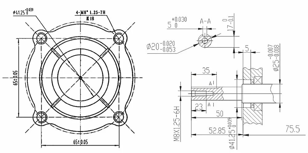
Какой размер посадочного места