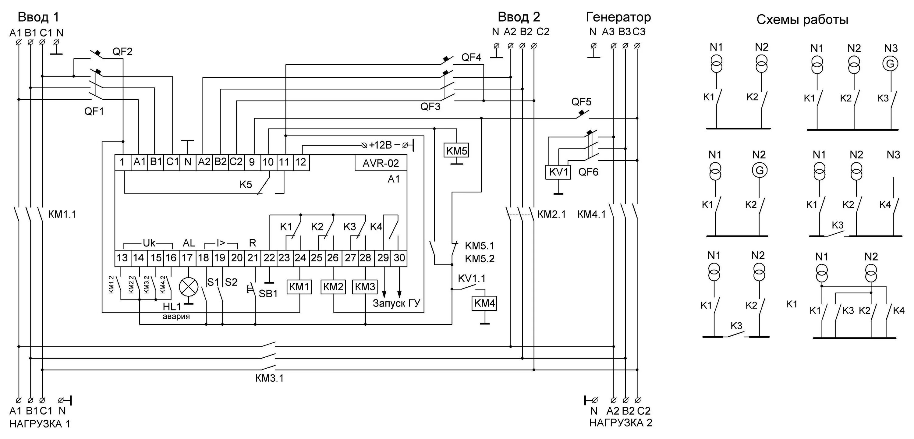
Какой ввод