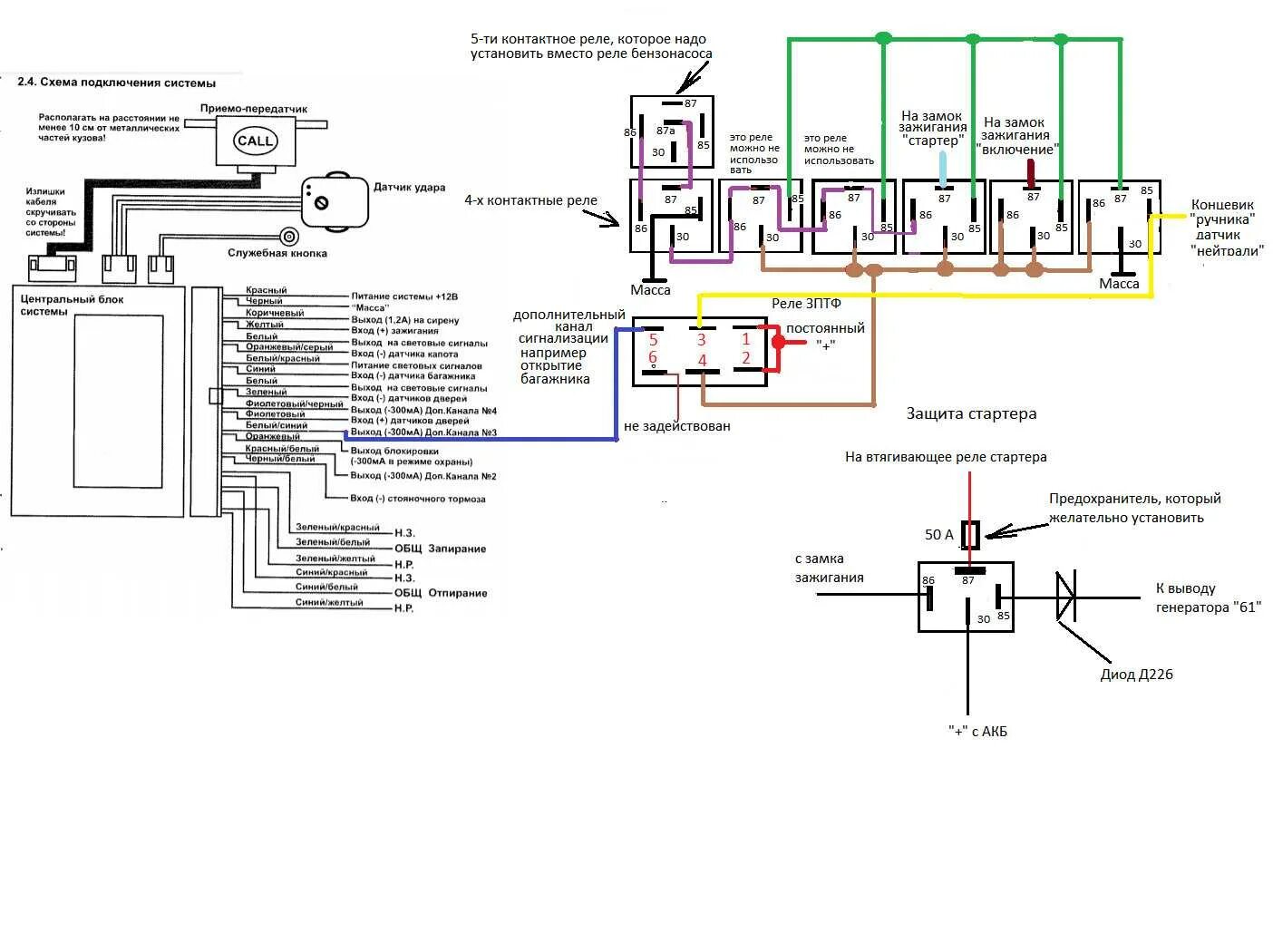
Карта сигнализации