Главная
»
Каталог 130
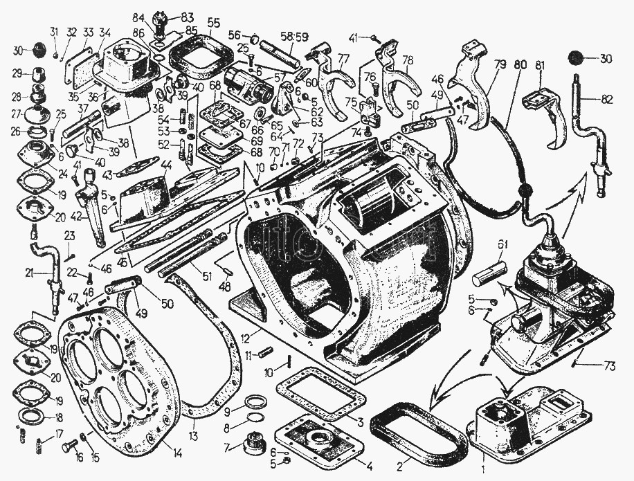
Каталог 130. Кпп трактора т 130 схема переключения передач. коробка передач т 130 схема переключения передач. кожух сцепления т-130. верхний вал коробки передач трактора т170.
« Предыдущее
34 / 40
Следующее »