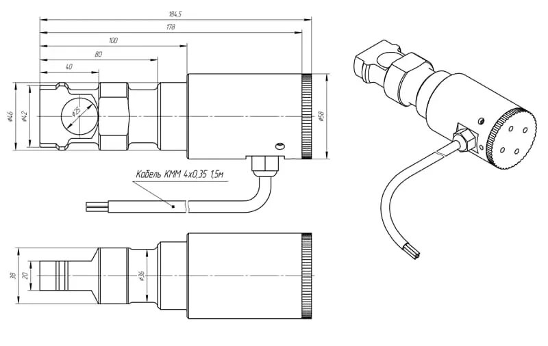
Кб 3