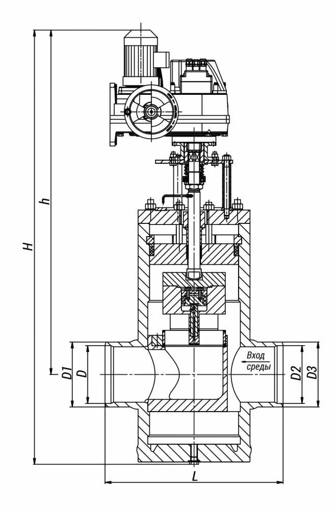
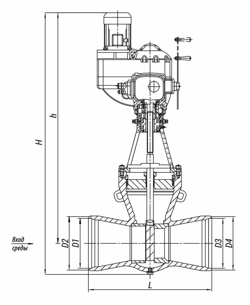
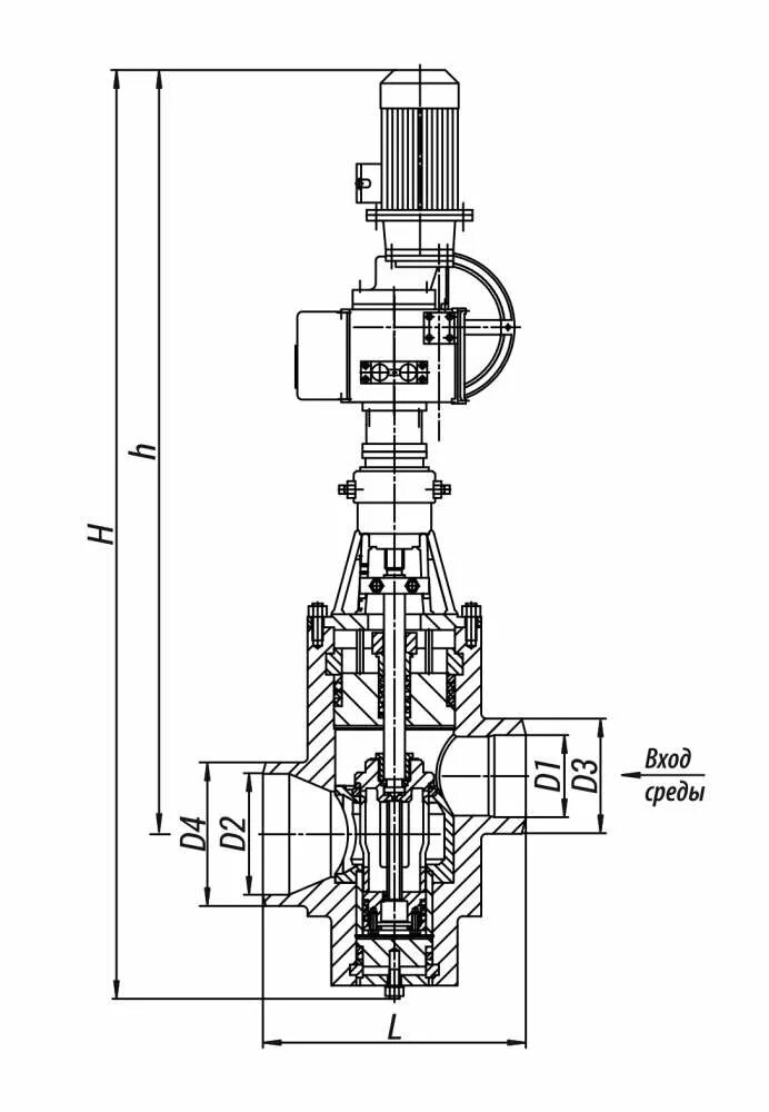
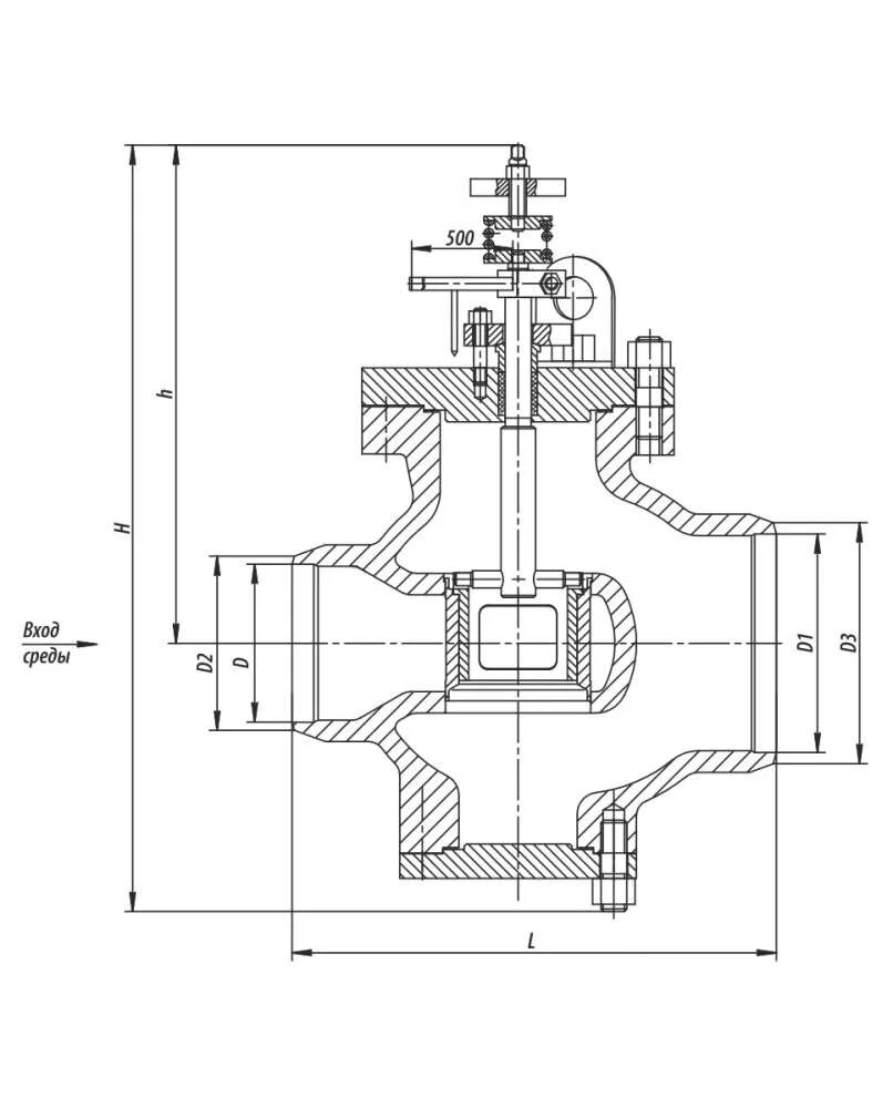
Клапан регулирующий 6с