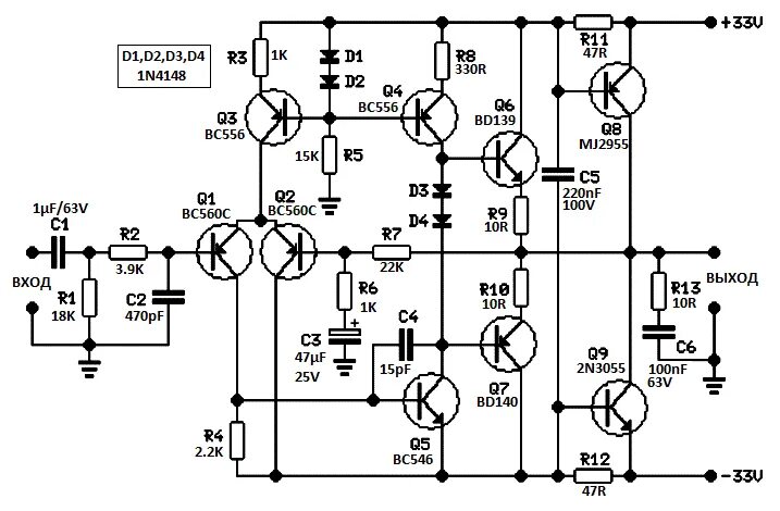
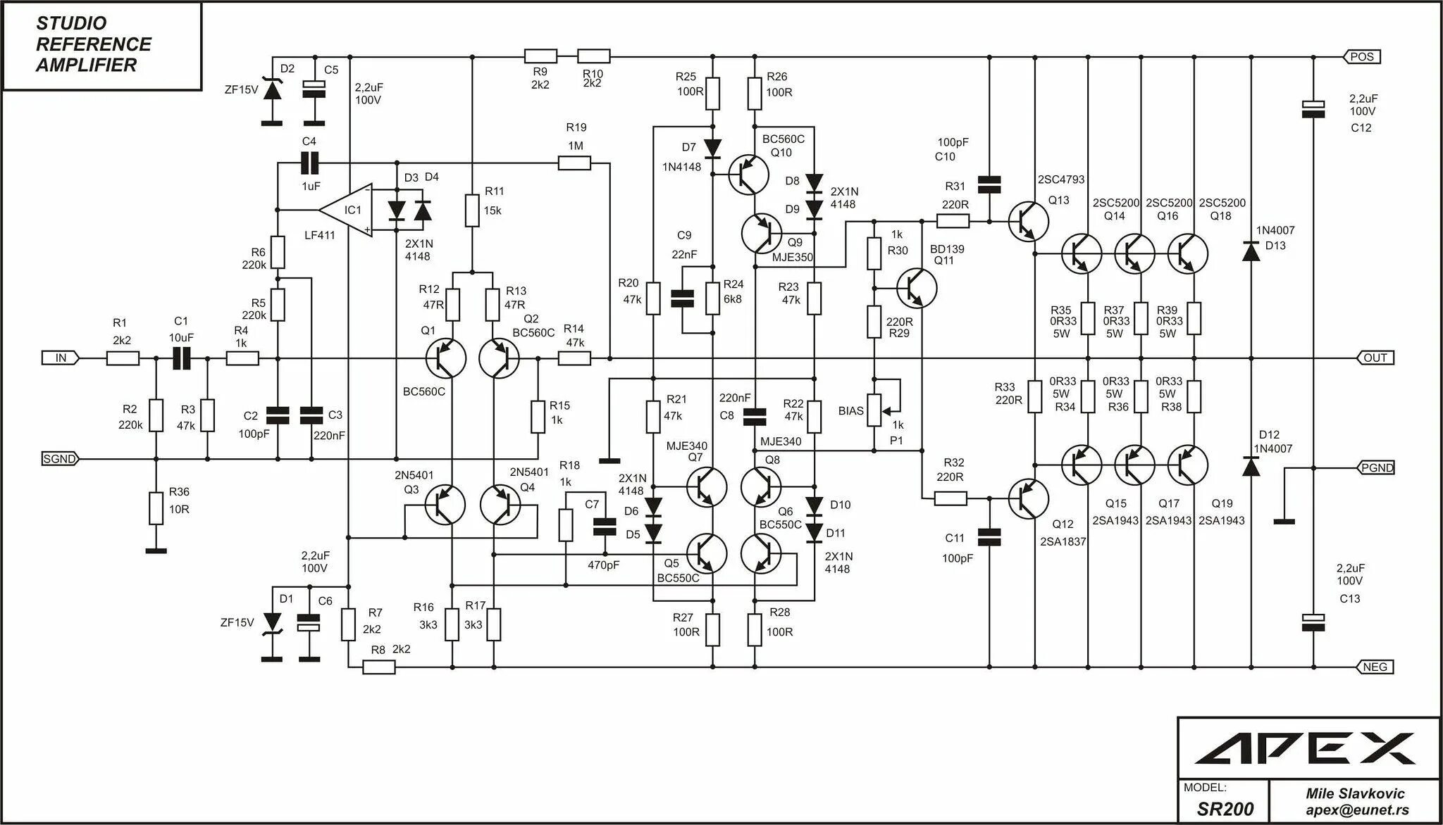
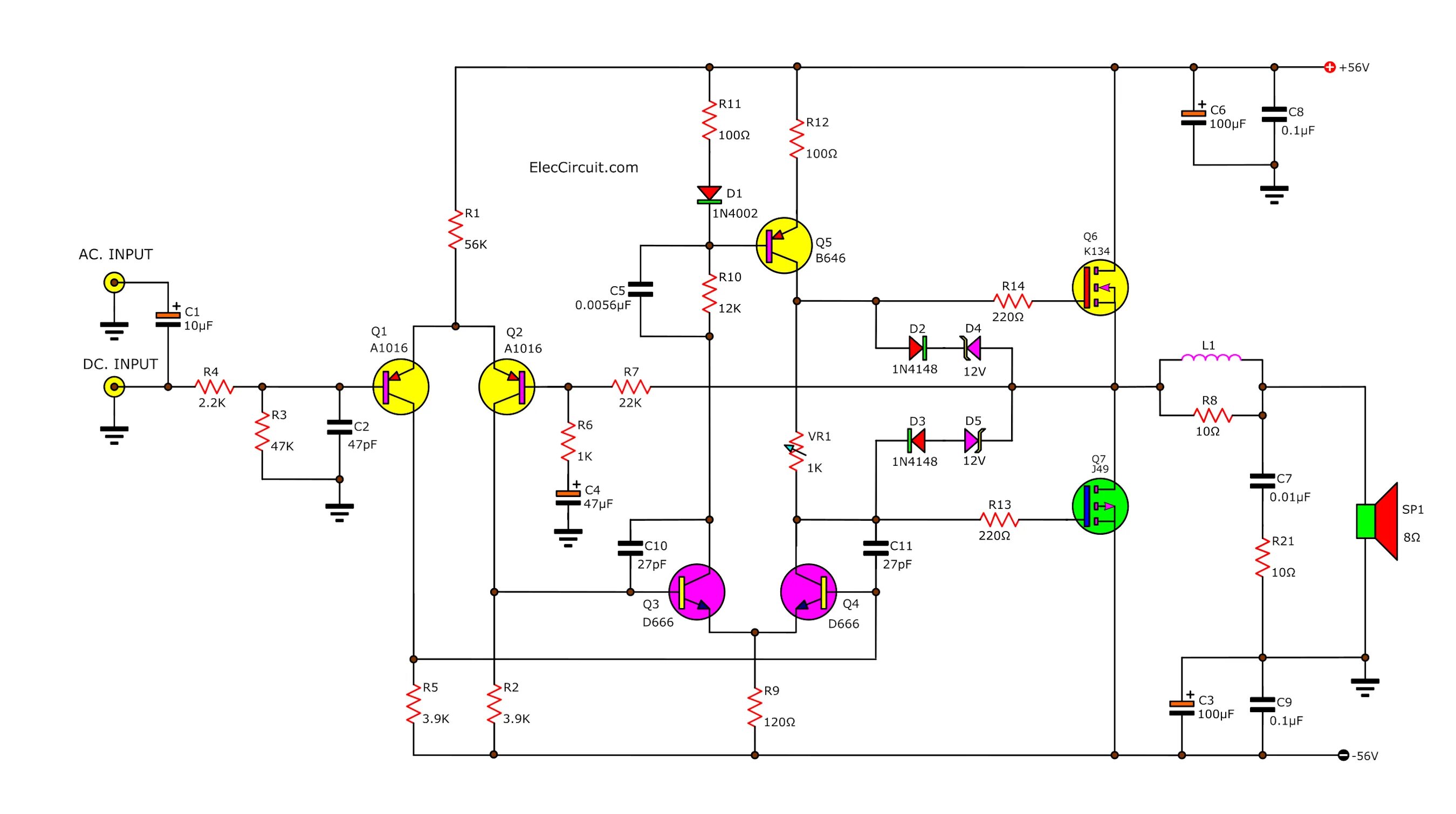
Класс усилителя c