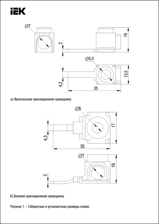
Клемма вводная для мод оборуд квм