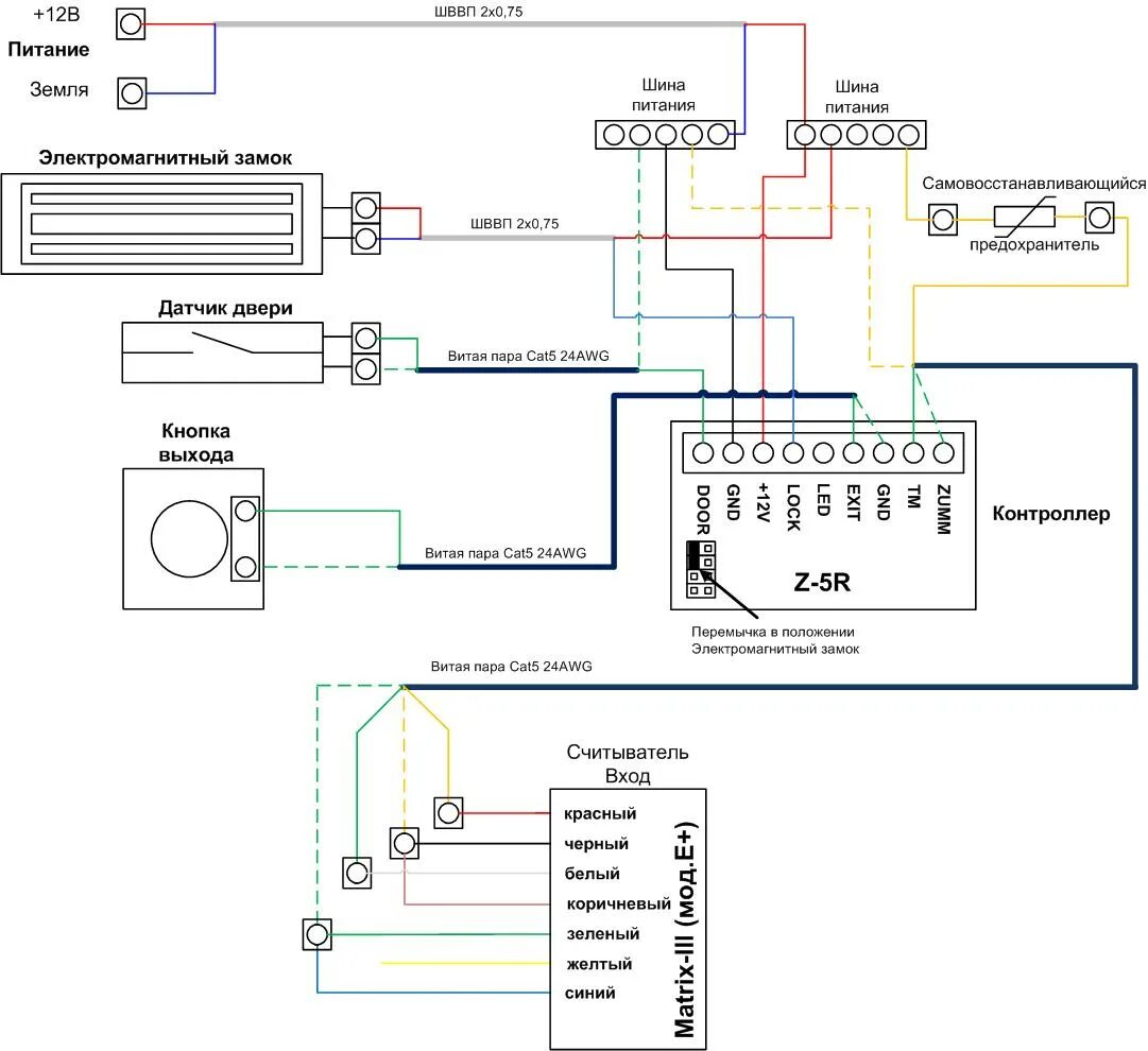
Кнопка для электромагнитного замка