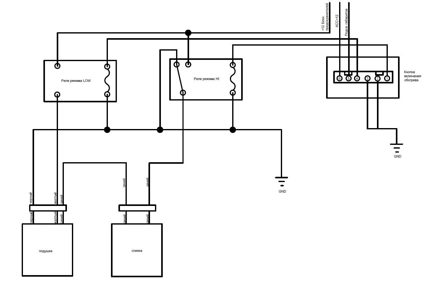
Кнопка подогрева сидений схема