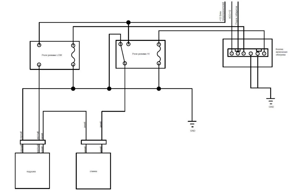
Кнопка подогревателя